Lämmitysremontti pienellä budjetilla

Karvakuono

Aktiivinen jäsen
On toki mahdollista että maininta ohjeissa "toteutuneiden kustanusten mukaan" ei suoraisesti tarkoita mitään. Ja maininta "Avustusta myönnetään 4000 euroa öljylämmitysjärjestelmää kohti" on puolestaan yksiselitten mutta jos näitä kahta ehtoa tulkitaan yhdessä niin joopa joo. Onko keneläkään mennyt kustanukset alle 4kEUR ja saanut rahaa 4kEUR.
Ei tulkita mitenkään muutoin kuin siten että Elyn öljylämmityksestä luopumistuki on kiinteä 4000e vilppiin tai mlp:hen vaihtaessa. Mutta kustannukset on oltava 1.6.2020 jälkeiseltä ajalta.
Näin se oli 2022 kun itse tukea hain ja on edelleen.
Arat ja kotitalousvähennykset ovat asia erikseen.
 

Jalppi

Aktiivinen jäsen
Kyllä ely ne kuitit vaati ja minulle viestittiin toteuman mukaan maksetaan eli jos 3000e olisi onnistunut tekemään 3000e olisi maksettu. Toki voihan se päätöksen tekijä olla vaikka kalakaveri jolloin ei niin tarkkaa välttämättä olekaan.
 

Wespa

Aktiivinen jäsen
Aika naiivia edes ajatella että viranhaltija tekisi myöntöpäätöksen ilman asianmukaisia kuitteja, olisi äkkiä entinen viranhaltija. :) Ja joo, on itsekin ko. tukea jokunen vuosi sitten tullut haettua ja saatuakin, vain sellaisia kuluja saa tuella katetuksi jotka on esittää todellisiksi jollain asianmukaisilla tositteilla, käytännössä siis kuiteilla.
 

Arisoft

Hyperaktiivi
Voitte kommentoida vapaasti.

Mietin tuota pumpulle menevää yhteyttä varaajasta. Se menee yläreunaan ja lämmitykseen lähtee alhaalta.

Kun pumppu sulattaa niin sieltä tulee varsin kylmää vettä varaajaan. Se valuu pohjalle ja jatkaa matkaa nopeasti lämmitykseen.

Olisiko se toiminnallisesti parempi jos se olisi juuri päin vastoin. Itsellä on 40 litrainen vastaava rakenne ja sen ainoa käyttötarkoitus on vähentää lämmitykseen menevään lämpöshokkia. Kääntelin sitä molemmin päin mutten sen pienuudesta johtuen löytänyt juuri eroa toiminnasta. Nyt se syöttää alhaalta ja lämmitykseen menee ylhäältä.

Jos lämmitykseen menevä vesi otettaisiin yläältä niin se olisi tasaisemman lämmintä. Olisiko muuta eroa toiminnalle?
 

Espejot

Hyperaktiivi
Ei tulkita mitenkään muutoin kuin siten että Elyn öljylämmityksestä luopumistuki on kiinteä 4000e vilppiin tai mlp:hen vaihtaessa. Mutta kustannukset on oltava 1.6.2020 jälkeiseltä ajalta.
Näin se oli 2022 kun itse tukea hain ja on edelleen.
Arat ja kotitalousvähennykset ovat asia erikseen.
Ehdoissa on että maksetaan toteutuneiden kustannusten mukaan. Minua kiinnostaa lähinnä miten ELY keskus tulkitse kyseisen sopimusehdon.

Aika naiivia edes ajatella että viranhaltija tekisi myöntöpäätöksen ilman asianmukaisia kuitteja, olisi äkkiä entinen viranhaltija. :) Ja joo, on itsekin ko. tukea jokunen vuosi sitten tullut haettua ja saatuakin, vain sellaisia kuluja saa tuella katetuksi jotka on esittää todellisiksi jollain asianmukaisilla tositteilla, käytännössä siis kuiteilla.
ARA:n tuessa ei kuitteja tarvita. Suunitelmat ja selostus toteumasta ja kertyneet kustannukset riittää.
 

Espejot

Hyperaktiivi
Mietin tuota pumpulle menevää yhteyttä varaajasta. Se menee yläreunaan ja lämmitykseen lähtee alhaalta.

Kun pumppu sulattaa niin sieltä tulee varsin kylmää vettä varaajaan. Se valuu pohjalle ja jatkaa matkaa nopeasti lämmitykseen.

Olisiko se toiminnallisesti parempi jos se olisi juuri päin vastoin. Itsellä on 40 litrainen vastaava rakenne ja sen ainoa käyttötarkoitus on vähentää lämmitykseen menevään lämpöshokkia. Kääntelin sitä molemmin päin mutten sen pienuudesta johtuen löytänyt juuri eroa toiminnasta. Nyt se syöttää alhaalta ja lämmitykseen menee ylhäältä.

Jos lämmitykseen menevä vesi otettaisiin yläältä niin se olisi tasaisemman lämmintä. Olisiko muuta eroa toiminnalle?
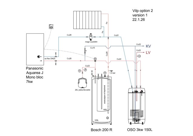
Taitaa olla epäselvää miten noi putket menee. oheinen kuva on asenusohjeista. Eli pumpulta palaava vesi alas ja verkostoon ylhäältä.

1769115626014.png
 

hamstraaja

Tulokas
Eli pumpulta palaava vesi alas ja verkostoon ylhäältä.
Se on hyvä pointti. Kai voin sen taas korjata. Tein nyt toisen version kytkennästä, johon lisäsin myös kolmitieventtiilin ja sen moottorin, jota Panu voi todennäköisesti ohjata itse. Voin tarvittaessa ottaa myös Oumanin käyttöön.

Tässä tapauksessa Bosch toimii pelkkänä 105-litraisena puskurina, ja OSO-varaajan vesi esilämmitetään kierukan kautta. Nihan mainitsi, että pumppu käy tällöin useammin, se on myös hyvää pointti. Kyl kai mielummin teen versio1 jos ei ole siellä muuta.
 

Liitteet

  • VILP PLAN option2.0.pdf
    174,3 KB · Katsottu: 4
  • VILP PLAN option2.0.jpg
    VILP PLAN option2.0.jpg
    124,3 KB · Katsottu: 22

Tifo

Vakionaama
Mietin tuota pumpulle menevää yhteyttä varaajasta. Se menee yläreunaan ja lämmitykseen lähtee alhaalta.

Kun pumppu sulattaa niin sieltä tulee varsin kylmää vettä varaajaan. Se valuu pohjalle ja jatkaa matkaa nopeasti lämmitykseen.

Olisiko se toiminnallisesti parempi jos se olisi juuri päin vastoin. Itsellä on 40 litrainen vastaava rakenne ja sen ainoa käyttötarkoitus on vähentää lämmitykseen menevään lämpöshokkia. Kääntelin sitä molemmin päin mutten sen pienuudesta johtuen löytänyt juuri eroa toiminnasta. Nyt se syöttää alhaalta ja lämmitykseen menee ylhäältä.

Jos lämmitykseen menevä vesi otettaisiin yläältä niin se olisi tasaisemman lämmintä. Olisiko muuta eroa toiminnalle?
Pattereille ottaisin veden varaajan yläreunasta niin kuin muunkin mihin lämmintä tarvitaan.
 

Tifo

Vakionaama
Tuntuu siltä että tuon kaksoisvaraajan toiminta on vähän erilaista kuin perinteisen. Patterivedelle on ylhäällä pieni tilavuus niin putket voidaan johtaa alaosaan eikä sillä ole isoa eroa toimintaan.
 

hamstraaja

Tulokas
Tuntuu siltä että tuon kaksoisvaraajan toiminta on vähän erilaista kuin perinteisen. Patterivedelle on ylhäällä pieni tilavuus niin putket voidaan johtaa alaosaan eikä sillä ole isoa eroa toimintaan.
juu ei varmaan ole niin iso eroa, mut voin silti kytkeä manualin mukaan
 

hamstraaja

Tulokas
Nyt tajusin, että jos esilämmitetään Oson kierukalla, niin mulla ei ole mitään pointtia pitää Boschia ollenkaan. Voin vaan myydä sen eteenpäin ja ostaa tilalle perus 50–100 litran puskurin. Saan enemmän tilaa ja todennäköisesti vielä vähän voittoa kaupan päälle.
 

Tifo

Vakionaama
Nyt tajusin, että jos esilämmitetään Oson kierukalla, niin mulla ei ole mitään pointtia pitää Boschia ollenkaan. Voin vaan myydä sen eteenpäin ja ostaa tilalle perus 50–100 litran puskurin. Saan enemmän tilaa ja todennäköisesti vielä vähän voittoa kaupan päälle.
Ymmärränköhän nyt oikein. Se kierukka pitäisi olla siinä edellisessä purkissa, johon johdetaan vesijohtoveden paine. Silloin ei tarvitse ylimääräistä pumppua. Eikös tuo pikkupurkki siinä varaajassa tee juuri tuon kierukan työn?
 

hamstraaja

Tulokas
Ymmärränköhän nyt oikein. Se kierukka pitäisi olla siinä edellisessä purkissa, johon johdetaan vesijohtoveden paine. Silloin ei tarvitse ylimääräistä pumppua. Eikös tuo pikkupurkki siinä varaajassa tee juuri tuon kierukan työn?
No se sisävaippa on 185 litra ja lämmitysvaippa on 105 litra. Sit vielä on oso 150l. Bosch-versio (oma versio 1) on sis varmaan toimiva, mutta se on kai ylimitoitettu kompromissi (2 asukkaita), kun taas kolmitie + pieni puskuri on kai vähän puhtaampi, halvempi ja loogisempi ratkaisu VILP + patteritaloon.
 

Arisoft

Hyperaktiivi
Pattereille ottaisin veden varaajan yläreunasta niin kuin muunkin mihin lämmintä tarvitaan.

Tämä ei tässä muodossa kumminkaan ole varaaja vaan enemmänkin puskuri, joka vain laajentaa vesitilavuutta. Toimii tässä tarkoituksessa molemmin päin, mutta kylmä menee läpi ylhäältä alas nopeasti. Alhaalta ylös se sen sijaan jäisi pikku hiljaa lämpenemään.
 
Back
Ylös Bottom