pökö
Kaivo jäässä
Samoin minä vanhaa fujitsua joka yhä odottaa vain käskyä tositoimiin.Minä ajoin omaa etelän mallin Toshibaa 10 vuottta surutta kaikissa keleissä eikä se siitä ottanut itseensä tai taipunut
Follow along with the video below to see how to install our site as a web app on your home screen.
Huomio: This feature may not be available in some browsers.
Samoin minä vanhaa fujitsua joka yhä odottaa vain käskyä tositoimiin.Minä ajoin omaa etelän mallin Toshibaa 10 vuottta surutta kaikissa keleissä eikä se siitä ottanut itseensä tai taipunut
Järki sanoo nyt vähän huonosti.No järki sanoo että jossain kohtaa ei laite voi mitenkään puhaltaa kylmempää ilmaa ulos kuin imee sisään.
Kaikkihan ei suinkaan stoppaa -20 °C:ssa.No miksi sitten pumput stoppaa -20c kun teoriasi mukaan rajaa ei ole.
Mä kattelin just eilen Panasonicin vilppiesitteitä ja kuvassa oli että tekee lämpöä jopa -28:ssa, mutta sitten teknisissä tiedoissa toiminta-alueen rajaksi oli ilmoitettu -20. Whaat?Toshiba lakkasi pyörimästä-17 asteessa. Esitteessä isosti kompressorin alin toimintalämpötila -25...
Mikä ominaisuus toi on?Menoveden lämpö nousee yli 40 asteen = kompura pois pelistä. Ja tuotahan ei voi säätää.
Olisihan tommonen tekninen manuaali mukava lukee, mutta ei se sinuakaan ole haitannut kun F1255:n ostit...Ennen pumpun ostoa tekninen manuaali olisi ensiarvoisen tärkeää lukea läpi ja luekea vieläpä huolella. Eipä siitä haittaa ole jos asiasta päälle vähän vänkää somessa niin ajatukset selkeytyy.
Olisihan tommonen tekninen manuaali mukava lukee, mutta ei se sinuakaan ole haitannut kun F1255:n ostit...![]()
Et ymmärtänyt mutta lisätään, Panan, Smatrix yms. manuaaleista tiedä kun en ole kaivellut mutta F1255 et ole voinut lukea kun siitä ei tommosta teknistä manuaali ole olemassaKyllä minä Niben VILP/PILP/MLP manuaalit olen läpi kahlannut moneen kertaan. Ja monen muun VILP:n, mieleen muistuua ainakin Pana, Fujitsu, Hitach). Niben softahan on kaikissa pumpuissa pohjinmiltaan sama, pientä eroa siellä täällä. Asiaa löyhästi sivuten laitoin F1255 kiertovesipumpun automaatille. Näyttää säätävän kierroksia max 85% tässä kämpässä... lähinnä alkoi kiinnostamaan yhteispeli smatrixin kanssa. COP toi ei vaikuttanut niin paljon että olisin eron huomannut. Myös Smatrixin manuaalit luin pariin kertaan läpi ennen ostoa. Sama homma RLU202 kansaa jne... lista jatkuu. Että aina minä luen tekniset manuaalit ennen ostoa.
No, miten nyt ymmärtää mitä tekninen manuaali tarkoittaa - F1255 on olemassa kahdet manuaalit. Löydät ne kummatkin aika helposti. Ja totta on että eihän Niben manuaaleissa ei avata toimintojen matemaattista kaavaa tai ilmoiteta suoritusarvoja taulukkomuodossa mutta kyllä niistäkin tarpeeksi löytyy tietoa päätöksen tekoon.Et ymmärtänyt mutta lisätään, Panan, Smatrix yms. manuaaleista tiedä kun en ole kaivellut mutta F1255 et ole voinut lukea kun siitä ei tommosta teknistä manuaali ole olemassa, ellei sitten jotain 'piilomanuaaleja' ole olemassa...
Joo ei noiden 'liirumlaarumin' manuskojen löytämisessä mitään ongelmaa... ei matikkakaavoilla mitään tekisiNo, miten nyt ymmärtää mitä tekninen manuaali tarkoittaa - F1255 on olemassa kahdet manuaalit. Löydät ne kummatkin aika helposti. Ja totta on että eihän Niben manuaaleissa ei avata toimintojen matemaattista kaavaa tai ilmoiteta suoritusarvija taulukkomuodossa mutta kyllä niistäkin tarpeeksi löytyy tietoa päätöksen tekoon.
Niben sotkujen syy osaltaan ehkä onkin siinä ettei aika erilaisille laitteille ole omia ohjaimia ja ne perinnesoftat on alunperin tehty on/off pumpuille lataamaan betonia asteminuuttisäädöllä. Voisi olla refaktoroinnin paikka.
Manuaalit, joo ei ole kovin teknisiä ja siinä mielessä huonoja. Tavallinen käyttäjä voi olla toista mieltä.Pakko olla samaa mieltä että nuo Niben ns. tekniset manuaalit on todella huonoja.
Lisäksi ihmettelen sitä että kehuvat heidän uutta S-sarjaa ja sen 12.5 miljoonaa riviä koodia, jokainen voi tietysti vetää omat johtopäätökset siitä onko useampi rivi koodia aina parempi vai voiko se kertoa esim. tässä tapauksessa jostain muusta.
Käytettävyys tuossa S-sarjankaan käyttöliittymässä ei mielestäni vastaa sitä mitä odottaisi 2020 tehtävän.
Olen työskennelyt softan kehityksessä lähemmäs 20 vuotta ja aika harvoin kuulee edes hardware tuotteiden softia mainostettavan koodin määrällä
Onko kenelläkään toimittajalla parempaa, siihen en osaa vastata.
Taitaa olla Toshiban oma Ominaisuus. Mut säätääkään ei kuulemma voi. Vaikuttaa liian hienolta peliltä Suomeen...Mikä ominaisuus toi on?
Ja tuohon 12.5 miljoonaan riviin ei ole saatu muuta kuin 2005-2010 vuosien kännykän tasoinen käyttöliittymä.
Itseäni tuo ei haittaa kun olen tottunut teknisiin laitteisiin, mutta onhan se luotaan poistyöntävä henkilöille jotka muutenkin arastelevat laitteiden parametrien säätöjä.
Ilmeisesti laitteessa ei juuri ole mitään "älyä" kun se ei osaa käyttäjää neuvoa miten laitetta voisi optimoida, edes täysin selkeissä tapauksissa.
Eikä se osaa mitenkään kertoa meneekö sen toiminta parempaan vai huonompaan suuntaan kun parametreja muuttaa..
Ei olisi iso vaiva Nibelta laittaa machine learning palvelua myUplinkiin ja vaikka pyytää siitä hieman rahaa.
Onko nykyaikaa että käyttäjä laitetaan säätämään asteminuutteja ja pumppujen nopeuksia katkokäynnin välttämiseksi, minusta ei.. Kyllä siellä pitäisi olla normaali käyttäjälle helposti ymmärrettävät parametrit mitkä sitten taustalla säätävät tuollaisia arvoja.
Jos joskus on ylimääräistä aikaa voisi laittaa tuollaisen ML open source ympäristön pystyyn (ongelma logeja on foorumeilla tarjolla yllin kyllin).
Kumpikaan manuaali tai käyttöliittymä ei kerro loppukäyttäjälle parametrien merkityksestä mitään, lieneekö tarkoitus saada myytyä lisää lämpöpumppu-asiantuntijoiden palvelua?
Sama se on panassakin, manuaalit ovat ikäänkuin muistilistoja. Jos loppukäyttäjä haluaa perehtyä paremmin niin nämä manuaalit pitäisi käydä läpi asiansa osaavan asentajan kanssa ja kysyä mitä ja miksi. Mutta löytyykö sellaista asentajaaKumpikaan manuaali tai käyttöliittymä ei kerro loppukäyttäjälle parametrien merkityksestä mitään,
Jos tällainen pitää paikkansa ja luulevat että se on leuhkimisen aihe niin mielestäni todistaa ainoastaan yhden asian: talosta ei löydy minkäänlaita osaamista sulautetun ohjelmiston kehittämiseen, ja metriikat onnistumisen mittaamiselle ovat katastrofaaliset, joka johtaa jatkossa ainoastaan huonompaan tulokseen.Lisäksi ihmettelen sitä että kehuvat heidän uutta S-sarjaa ja sen 12.5 miljoonaa riviä koodia,
Jos tällainen pitää..
www.nibe.eu
Ettei olisi mennyt rivit ja merkit sekaisin.
Tuo on oikeesti niin kamala määrä, ettei mikään tällainen ns. normi ohjaussofta voi sitä pitää sisällään.
Miettikääpä softan hintaa ...
Niin onko siitä sitten hyötyä mainostaa esim. 11kW VILPin tekevän lämpöä vielä -30'c, jos se todellinen tuotto on enää 1kW.No miksi sitten pumput stoppaa -20c kun teoriasi mukaan rajaa ei ole. Vaikka -40C niin aina vaan vähintään -41C ulos.
Noissa typen ja hapen nesteyttämisaparaateissa taidetaan käyttää turbexpandereita.Mailmassa nesteytetään ilmakaasuja teollisesti. Kyllä sen energian täytyy tulla niissäkin ulos jostakin sen koneiston käyttämän sähkötehon lisäksi, kun ei se energia sinne tyhjiöeristettyyn nesteytyn kaasun säiliöönkään päädy.
"normi" kylmäaineen paineenlasku tapahtuu lähes isentrooppisesti (höyrystyminen), jolloin mekaanista energiaa ei juurikaan voida saada paineenmuutoksesta talteen.
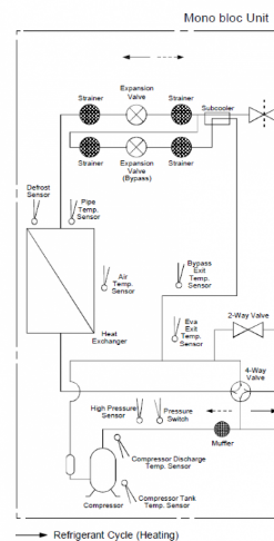
Itselle jäänyt vajaalle ymmärrykselle,miksei noita sub-coolereita oikein suosita nestelinjoissa ennen paisaria .SWEP kertoo ,että hyöty tehoissa on n. 0,5-2% jokaista pudotettua Kelviniä kohden .Tuolla Panan mono-bloc kaavioissa tuo alijäähdytin on edustettuna, .. liekö tosiaan kellään muulla valmistajalla?Korkeilla tuottolämpötiloilla voi alijäähdyttimellä hiukan parantaa tilannetta mutta tuo alijäähdyttäminenkin loppuu käytännössä +30 °C tasolle eikä näitä alijäähdyttimiä VILPeissä ole. Nuo höyrystymislämmöt ovat kuitenkin yleensä aika suuria suhteessa nesteen lämpökapasiteettiin. Näin ollen olettaisin, että tämäkään ei muodostu esteeksi pakkasessa toimimiselle vaikka tämä toki jo periaatteellisesti syö tehokerrointa.
Noin on. Jos vilppiin asentaa alijäähdyttimen, joka siis käyttää vain tulistettavan imukaasun lämpöä, tämä samalla ohentaa imukaasua ja tuon seurauksena tyypillisesti käytettävillä kylmäaineilla hyöty jää vähäiseksi. Toista olisi, jos alijäähdytyksen tarjoamaa matalaa lämpötilaa voisi käyttää jotenkin hyödyksi. Mieleen tuleva hyödyntämiskohde numero 1 on lämmön varastointi sulatusta varten. Tuo vain edellyttäisi aika monimutkaista lisäkokonaisuutta, eli lämmönvaihtimen ohella vesitankkia lämmön varastoimiseksi sekä moottoriventtiiliä, jolla lämmityskierto katkaistaa sulatuksen ajaksi ja tilalle ohjataan virtaus tuosta sulatusenergiavaraajasta. Tuolloin sulatuksen voisi tehdä periaatteessa kokonaan ulkoa höyrystimellä kerätyllä ilmaislisäenergialla, mutta tuo tietenkin vaatii samalla hieman ronskimpaa höyrystimen mitoitusta.Spontaani kiehumisen estäjänä (flash) ennen paisariahan tuo sub-cooleri on ihan ehdoton monobloceissa ,koska putkimatkat
lähes olemattomia !
Tuolla Panan mono-bloc kaavioissa tuo alijäähdytin on edustettuna,
Mieleen tuleva hyödyntämiskohde numero 1 on lämmön varastointi sulatusta varten.
Tarkoititko ehkä kuitenkin:Noin on. Jos vilppiin asentaa alijäähdyttimen, joka siis käyttää vain tulistettavan imukaasun lämpöä, tämä samalla ohentaa imukaasua ja tuon seurauksena tyypillisesti käytettävillä kylmäaineilla hyöty jää vähäiseksi.