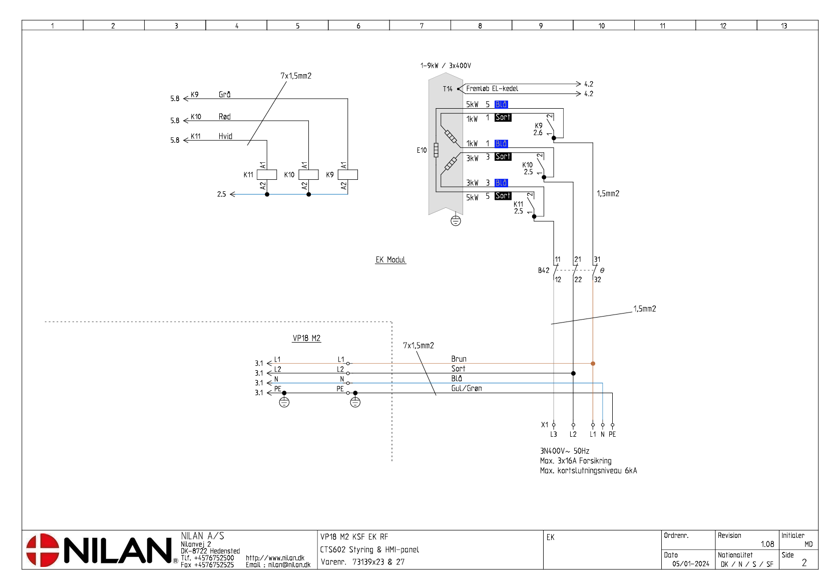
@Skata
Talo on rakennettu 2014 ja kun muutettiin muuma vuosi sitten sisään niin täällä oli tuo Nilanin vanhempi malli. Vuosikulutukset olivat niin infernaalisia 26kWh /v jolloin se pumppu tutkittiin ja paljastuikin että siellä jos vaikka minkälaista ongelmaa. Nilanin edustaja suositteli siis kokonaan uuden härvelin asentamista ja 2 vuotta sitten se vaihdettiin tähän uudempaan.
Aikaisemmin nallit paloi vain ja ainoastaan jos autoa latasi öisin kovilla pakkasilla ja sattui porealtaan kanssa puuhastelemaan jotain samanaikaisesti. Tilanne on kuitenkin muuttunut kun tänä vuonna kovilla pakkasilla emme sitten ole enää voineet ladata autoa, lämmittää saunaa taikka uunia Eli nyt ei edes olla käytetty noita "riskilaitteita". Tarkoitus oli nostaa pääsulakkeiden kokoa kun sähkömies saa vaan uuden sähkökaapin tilattua, mutta se ei nyt kuitenkaan auta tämän viikonlopun paleluihin.
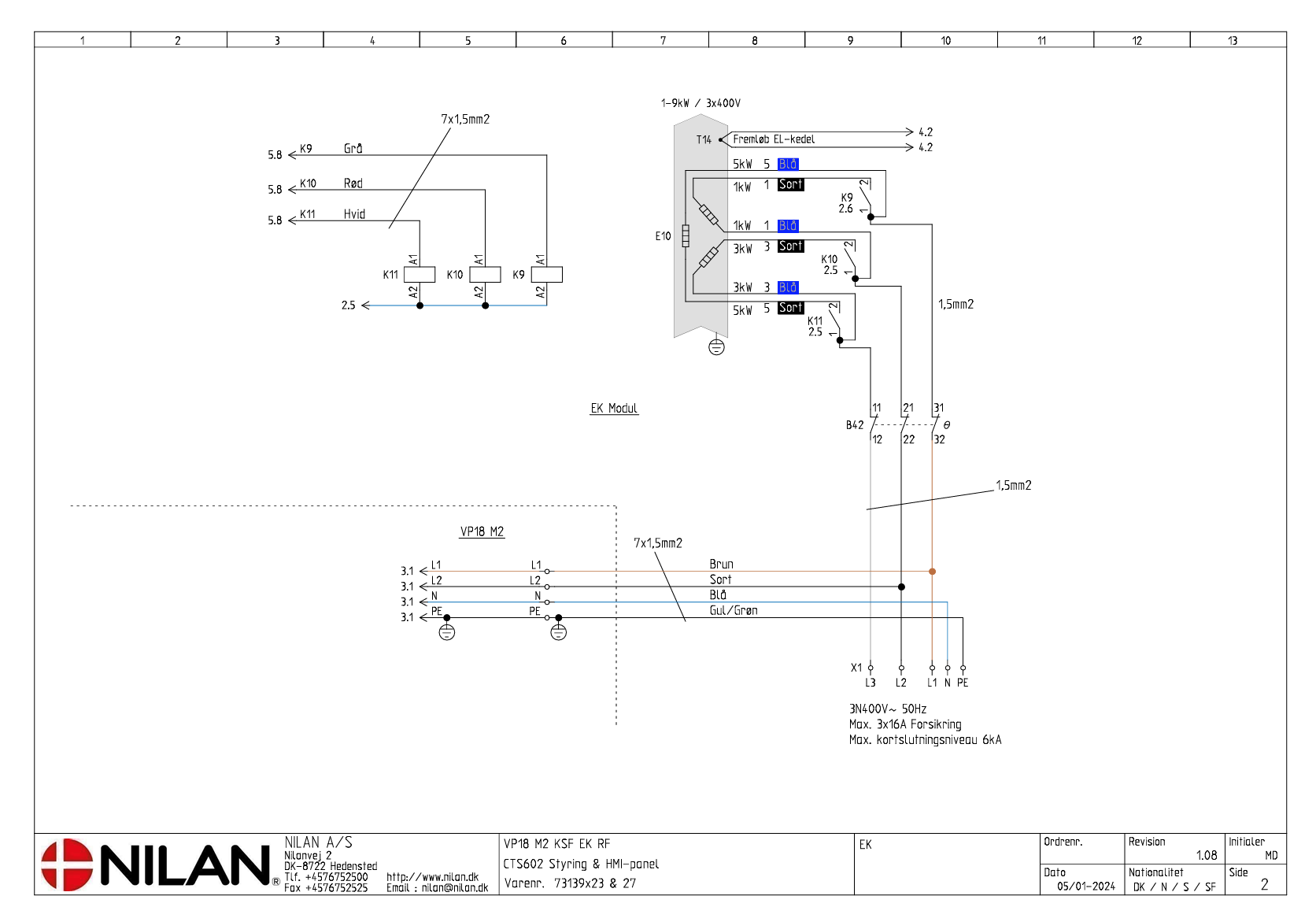
Talo on rakennettu 2014 ja kun muutettiin muuma vuosi sitten sisään niin täällä oli tuo Nilanin vanhempi malli. Vuosikulutukset olivat niin infernaalisia 26kWh /v jolloin se pumppu tutkittiin ja paljastuikin että siellä jos vaikka minkälaista ongelmaa. Nilanin edustaja suositteli siis kokonaan uuden härvelin asentamista ja 2 vuotta sitten se vaihdettiin tähän uudempaan.
Aikaisemmin nallit paloi vain ja ainoastaan jos autoa latasi öisin kovilla pakkasilla ja sattui porealtaan kanssa puuhastelemaan jotain samanaikaisesti. Tilanne on kuitenkin muuttunut kun tänä vuonna kovilla pakkasilla emme sitten ole enää voineet ladata autoa, lämmittää saunaa taikka uunia Eli nyt ei edes olla käytetty noita "riskilaitteita". Tarkoitus oli nostaa pääsulakkeiden kokoa kun sähkömies saa vaan uuden sähkökaapin tilattua, mutta se ei nyt kuitenkaan auta tämän viikonlopun paleluihin.
