Romuista vilppi

harrastaja

Aktiivinen jäsen
Vähä tuli tutkailtua tota yutacia lisää nyt ei herjannu enää yhteysvikaa, en varmaa ollu virtoja katkassu sulakkeen vaihdon yhteydessä ni vika oli päällä. No eipä silti toimi. kortilta kun kattoo arvoja ni näyttää antureiden lämpöjä mut ohjaus panelissa nollaa kaikki. Otin paneelin auki ni sen piirikortilla käynny tuho.

Kattelin noita kiinan ohjaimia pitäsköhän kokeeksi tilata tos yks mis vois olla kaikki mitä tähän kokoonpanoon riittäisi. Kait noil jotaa tekee. Hinta viel kysymysmerkki.
 

Liitteet

  • Screenshot_20250110_163306_Samsung Internet.jpg
    Screenshot_20250110_163306_Samsung Internet.jpg
    105 KB · Katsottu: 76
  • Screenshot_20250110_163244_Samsung Internet.jpg
    Screenshot_20250110_163244_Samsung Internet.jpg
    80 KB · Katsottu: 83

jussi

Vakionaama
Vähä tuli tutkailtua tota yutacia lisää nyt ei herjannu enää yhteysvikaa, en varmaa ollu virtoja katkassu sulakkeen vaihdon yhteydessä ni vika oli päällä. No eipä silti toimi. kortilta kun kattoo arvoja ni näyttää antureiden lämpöjä mut ohjaus panelissa nollaa kaikki. Otin paneelin auki ni sen piirikortilla käynny tuho.

Kattelin noita kiinan ohjaimia pitäsköhän kokeeksi tilata tos yks mis vois olla kaikki mitä tähän kokoonpanoon riittäisi. Kait noil jotaa tekee. Hinta viel kysymysmerkki.
Mistä noita kattelit?
 

harrastaja

Aktiivinen jäsen
Jaahas tilasin kokeeksi Kiinasta ohjaimen on/off kompuralle. Bandary tais olla firma 70d kortti ja 30d kosketusnäyttö+60d toimitus. Vaikutti asialliselta saa nähä mikä totuus, eev ja evi ohjaus löytyy, dc puhaltimet, liuta lämpöantureita mitä näissä ny yleensä on.

Tosiaa löytyy hyllystä toimiva copelandin evi kompura (zh09kve-tfd-526) niin sen meinasin valjastaa tohon fujitsun yksikköön. Ja tosta oilonista lauhduttimen/evivaihtimen. Tarkoitus saada mahtumaan toi vaihin fujitsun sisään.

Harrastus jo kokeilumieli edellä mennään. Kompura on r407c mut taidan kokeilla miten propaanilla toimii ja ehkä myös jos vähä taajussmuuttajalla kokeilis pienempiä kierroksia, pitäähän nää vanhat eka rikkoo ennen kun uusii hommaa. Ja sama kokelu pätee tohon kiinan ohjaimeen jos toimii järkevästi ni sit ehkä raattii tilata dc invertteri vehkeet.

Toi ohjain mitä aikaisemmin linkkasin ni ois ollu max 6kw invertterilla 300e plus 160e toimitus ja verot+tullit päälle ni ei viittin ku ei tiedä mitä kuraa saa.
 

jussi

Vakionaama
Jaahas tilasin kokeeksi Kiinasta ohjaimen on/off kompuralle. Bandary tais olla firma 70d kortti ja 30d kosketusnäyttö+60d toimitus. Vaikutti asialliselta saa nähä mikä totuus, eev ja evi ohjaus löytyy, dc puhaltimet, liuta lämpöantureita mitä näissä ny yleensä on.

Tosiaa löytyy hyllystä toimiva copelandin evi kompura (zh09kve-tfd-526) niin sen meinasin valjastaa tohon fujitsun yksikköön. Ja tosta oilonista lauhduttimen/evivaihtimen. Tarkoitus saada mahtumaan toi vaihin fujitsun sisään.

Harrastus jo kokeilumieli edellä mennään. Kompura on r407c mut taidan kokeilla miten propaanilla toimii ja ehkä myös jos vähä taajussmuuttajalla kokeilis pienempiä kierroksia, pitäähän nää vanhat eka rikkoo ennen kun uusii hommaa. Ja sama kokelu pätee tohon kiinan ohjaimeen jos toimii järkevästi ni sit ehkä raattii tilata dc invertteri vehkeet.

Toi ohjain mitä aikaisemmin linkkasin ni ois ollu max 6kw invertterilla 300e plus 160e toimitus ja verot+tullit päälle ni ei viittin ku ei tiedä mitä kuraa saa.
Propaani toimii ihan hienosti, jos asennuspaikka sallii.
Scrolli kompura ei sit tykkää ihan kaikista taajuuksista, sitä ei voi ajaa liukuvasti taajuutta säätämällä. Ainakaan oman kokemuksen mukaan. Pitäs hyppiä ohi ne ikävän resonanssin tekevät taajuudet.
 

harrastaja

Aktiivinen jäsen
Jaahas paketti tuli ja vähän pääsin testailee ei kyl ihan viel aukea toimiiko oikein vai ei. panelista en ainakaan pääse mitään arvoja muuttamaan. Ja järjestelmä valikosta ku anturitietoja selaa,tuntuu et ei oikee täsmää manuaalin kanssa. Saa nähä tuleeko tästä kalua.
 

Liitteet

  • 20250408_213549.jpg
    20250408_213549.jpg
    226,3 KB · Katsottu: 3

jussi

Vakionaama
Mitähän tässä ketjussa tapahtui, kun mielestäni jo eilen vastasin tähän...?
Taisin laittaa jotain, et viisaaltahan toi näyttää, mutta ei oikeen ole hyvä, jos ei pääse säätelemään.
 

arimika

Vakionaama
Mitähän tässä ketjussa tapahtui, kun mielestäni jo eilen vastasin tähän...?
Taisin laittaa jotain, et viisaaltahan toi näyttää, mutta ei oikeen ole hyvä, jos ei pääse säätelemään.
Oliskohan ollu tämä

 

harrastaja

Aktiivinen jäsen
Kyselyä myyjälle laitettu katotaan irtoaako apuja sieltä. Tosiaan saan koneen ajolle haluaa tehä kylmää tällähetkellä enkä kyllä saa valikoita mistä säätä arvoja. Eev yrittää ainakin ohjata ja vesipumppu ohjaus päällä kans. Lukee paineanturit ja lämpötila-anturit myös
 

harrastaja

Aktiivinen jäsen
Noniin viestejä on kiinan poikien kanssa vaihdettu ja saatu joku tolkku laitteeseen, ensinnäkin oli väärä manuaali ja toisekseen ei mitää mainintoja miten pääsee arvoja säätämään. (Aika monen mutkan takana et pääsee parametreihin käsiksi) No nyt kumminkin onnistuu. Kyl tos joku järki on et Kait pitää alkaa mietii koneen kasaamista.

Ainut on dc puhaltimien käyttö. Tossa pitäisi olla ohjaus sille kyllä, mut en elektroniikasta mitään ymmärrä ni täytyy kysyä. Tossa kortilla on. G, FG, 5v, PWM,12v 5pinninen liitin. Mitäköhän noi värit olis? Tuskin toi suoraa mitää jaksaa pyörittää. Olis tosta yutakista puhaltimen kortit voisko ne toimia tän kiinakortin kanssa? Liitteenä yutaki kortti ja toi kiinan ohjain
 

Liitteet

  • 20250414_213641.jpg
    20250414_213641.jpg
    378,5 KB · Katsottu: 52
  • 20250414_213526.jpg
    20250414_213526.jpg
    166,6 KB · Katsottu: 50
  • 20250414_213515.jpg
    20250414_213515.jpg
    141,2 KB · Katsottu: 49

harrastaja

Aktiivinen jäsen
Eli tos puhaltimen kortis on 230v sit lähteä moottorille punainen ja musta oma liitin ja sit keltanen valkonen ja sininen toinen liitin. Sit tyhjä liitin tullu yutakin kortilta.
 

harrastaja

Aktiivinen jäsen
No joo kyl tosta puhaltimen kortis ainakin eloo on 340dc tulee ulos. Mut toi kiinan ihme kyl tuottaa, ei toi säätövalikko vastaa kyl millää muotoo manuaalin kanssa, helppo säätää ku ei tiedä mitä arvoa säätää, no jos idästä tulis taas apuja.
 

jussi

Vakionaama
Mitäköhän noi värit olis? Tuskin toi suoraa mitää jaksaa pyörittää. Olis tosta yutakista puhaltimen kortit voisko ne toimia tän kiinakortin kanssa?
Värien miettimisen voit unohtaa het kättelyssä, niillä ei ole mitään kerrottavaa. Joskus kyllä osuvat, mutta ei siihen voi luottaa.
Kiinakortin liitin on vähän kun tehty 12V puhaltimelle, noi isomat DC puhaltimet käyttää tasasuunnattua verkkojännitettä ja se vaatii vähän erilaiset kikkailut. Yutakin kortilla näyttäs kyllä liittimen vieressä olevan optoerottimia jo valmiiksi, eli vois teoriassa olla mahdollista saada se pwm ohjaussignaali sinne ja jopa nopeuspulssi takaskin.
Mulla on toi Yutaki aika avomallina kyllä, mutta ne puhallinkortit vähän ikävästi siellä piilossa, mut vois yrittää mittailla. Se PWM pitäs saada meneen sinne kortille, ja veikkaan et vähän oudosti merkattu FG on puhaltimen nopeuspulssi, se pitäs saada tuleen sieltä kortilta tolle ohjaimelle. G varmaan maa, mutta jännitteet sitten onkin miten tarvitaan, kun niitä ei saa sotkea sen puhallinmoottorin sähkön kanssa(niinku ei tuota G maatakaan). Kun tasasuunnatun verkkojännän maa ei ole maa, vaan ihan muuta.
Katon vähän Yutakin kytkistä...
 

jussi

Vakionaama
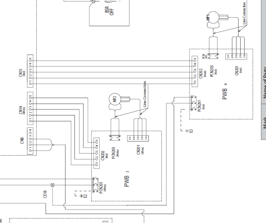
Eipä Yutakin kytkis paljasta mitään puhaltimen ohjauksesta. Jännite ja ohjauskarvat on erikseen kyllä, pitäs mittailla.Näyttökuva 2025-04-15 004709.png
 

jussi

Vakionaama
Vähän katoin Yutakin kortteja. Ei taida kärsiä mennä liittämään mitään noihin moottorinohjauskarvoihin liittimessä CN201. Tai siihen on tehtävä oma kelluva ohjaus ja tuotava se pwm sisään, sekä feedback pulssi ulos optoerottimen kautta. Liittimessä PCN203 on oletettavasti se 340Vdc moottorille.
Ne voi löytyy tosta CN202 liittimestä, vaan on emolevyn puolella niin piukka liitin, ettei neulakaan mahdu sisään mittausta varten.
 

harrastaja

Aktiivinen jäsen
Taas tuli kiinan pojalta uudet manuaalit mitkä täsmää laitteen valikon kanssa, eli toivo elää. Kysyin tosta puhallinhommasta niin Alko tollasta puhallin korttia tarjoamaan niin sitten toimii. Mietin vaa et onko noissa kommunikaatioissa mitä eroja sitten. Eli toimiiko toi minun puhallin niiden kortin kassa.
 

Liitteet

  • Alibaba90891e4ab391769cd475340ef79c46d6_original.png
    Alibaba90891e4ab391769cd475340ef79c46d6_original.png
    252,7 KB · Katsottu: 50

jussi

Vakionaama
Taas tuli kiinan pojalta uudet manuaalit mitkä täsmää laitteen valikon kanssa, eli toivo elää. Kysyin tosta puhallinhommasta niin Alko tollasta puhallin korttia tarjoamaan niin sitten toimii. Mietin vaa et onko noissa kommunikaatioissa mitä eroja sitten. Eli toimiiko toi minun puhallin niiden kortin kassa.
Toiminee Yutakin puhallin tuossa, ei siinäkään oikeasti ole käytössä kun kolme signaalikarvaa. Tungin tänään neuloja liittimeen ja mittailin, värit ja tarkoitukset osuu aika yleisesti noissa dc-puhaltimissa käytössä olevaan. Sen 320Vdc lisäksi on kolme karvaa, valkoinen 15Vdc, keltainen pwm ja sininen pulssitieto ohjaimelle feedbackiksi. Noilla kaikilla yhteinen miinus sen verkosta tasasuunnatun kanssa, joka ei ole maissa! Eli joka osasta tulee kynsille. Mutta ton kiinakortin pitäs hoitaa erotus, siinä ainakin näkyy optoerottimet.

Vielä tietysti voi jäädä puhaltimen pulssimäärä kiusaamaan ohjainta. Eli pyydetty pyörintänopeus jää vääräksi. Se kävi tossa mun ilppimodauksessa, kun käytin Panasonicin puhaltimen Samsungin älylle, piti tehdä pulssimuokkain siihen feedback linjaan. Tuli vähän hankala, kun jakosuhde oli 1,7. 2 olis ollu sikahelppo.
 
Viimeksi muokattu:

harrastaja

Aktiivinen jäsen
Okei, eihän noi kiinakortit olis ku 15d kpl ,et täytyy miettii. Tos selkeämpi kuva yutacin kortista
 

Liitteet

  • 20250415_085951.jpg
    20250415_085951.jpg
    174,8 KB · Katsottu: 47
  • 20250415_085351.jpg
    20250415_085351.jpg
    175,5 KB · Katsottu: 43

jussi

Vakionaama
Okei, eihän noi kiinakortit olis ku 15d kpl ,et täytyy miettii. Tos selkeämpi kuva yutacin kortista
Jos maltat oottaa et kerkeen perata sitä Yutakin lähtöä, niin voi yrittää arpoa sen kortin "inputtia". Pitää vaan taas tunkee neuloja liittimeen ja ottaa skooppi mukaan, yleismittarilla kun ei saa esiin esm. sitä pwm ohjausta kunnolla. Emolevyltä lähtee 5 valkosta johtoa puhallinkortille, niin seuraa niitä nyt sitten...
 

jussi

Vakionaama
Jotenkin kyllä outoo, et tässä maassa näyttää olevan tasan kaks "harrastajaa" enää nykyään. Jos aihe yhtään kiinnostaa, niin ei voi olla eksymättä tällekin sivulle.
Hiljaista on...
 

jussi

Vakionaama
Juu, ei tarvi hätäillä sen kanssa. Jos ohimennen viittit kattoo ni hyvä
Kun toi on nyt testikasauksessa "ajokunnossa", niin ei hukata tilaisuutta selviä se puhallinohjaus. Voi sitä joskus itekin tai joku muu tarvita. Muutenhan toi alkaa mulla oleen siinä vaiheessa, et vois katella asennuspaikkaa ja laittaa lopullisen vesilauharin paikalleen. Olen tärkeimmät sähköt saanu selvittyä, eli saan vesipumput käymään kompuran kanssa samaan aikaan. Ton oma vesipumppuohjain käyttää sitä ihan turhaankin (ehkä), vaikka poistin asetuksista sen jäätymissuojankin päältä.
 

harrastaja

Aktiivinen jäsen
Joo ei paljoo rakentelijoita ole. Tietysti aika kehittynetä kaupallist vehkeet et vaikee parempia ite tehä ja sit taas myös niin monimutkasia et vaikee korjailla ja viritellä tän olen ainakin ite huomannut
 

jussi

Vakionaama
Joo ei paljoo rakentelijoita ole. Tietysti aika kehittynetä kaupallist vehkeet et vaikee parempia ite tehä ja sit taas myös niin monimutkasia et vaikee korjailla ja viritellä tän olen ainakin ite huomannut
Oli se juu aika sellanen ensikosketus tuohon Yutakiinkin, että enhän minä sille mitään mahda. Vaan kylläpä mahtaa, kun sisuuntuu. Hiirestä kyllä varmaan kohta katkee rullan akseli, on sitä nyt rullattu.
 

jussi

Vakionaama
Yutakin puhallinkorttien ohjausta katseltu. Liittimessä ei ole numerointia, mutta ne 5 piuhaa lähtee kummallekin puhallinkortille. Vasemmasta pinnistä lähtien(emolevyllä):
1. +5V
2. Ohjauskarva. Vähän veikeesti tehty, lepää nimittäin ylhäällä 12V tasolla ja emolevy nykii sitä vastuksen kautta alas sillä pwm-ohjauksella.
3. Pulssitulo moottorilta, 0-5V tasot.
4. Olettevasti maa.
5 +12,65V, eli varmaankin ihan vaan 12V syöttö.

Tuota ohjauskarvaa ihmettelin ensin, et mitä hittoa.
IMG_20250416_175459.jpg
Mutta sitähän siis emolevy vetelee alas vastuksen kautta. Kokeilin hivellä 2k2 vastuksella sitä karvaa maihin, niin kyllä puhallin herää. Siinä vois kokeilla isompaakin vastusta, kun oikea koko ei ole selvillä.
 

jussi

Vakionaama
Mutta sitähän siis emolevy vetelee alas vastuksen kautta. Kokeilin hivellä 2k2 vastuksella sitä karvaa maihin, niin kyllä puhallin herää. Siinä vois kokeilla isompaakin vastusta, kun oikea koko ei ole selvillä.
Tosta vois päätellä, että siellä karvan perässä on vain sen optoerottimen ir-ledi ja sen anodi siinä 12V syötössä. Muutama opto on mulla särkyny 12V/1k vastus syötöllä, vaikka sen pitäs olla aika sopiva. Vaan onhan niissäkin eroja, nuokin sit toisella optolla on kestäny.
Mutta vois alottaa ainakin yli 2k arvolla, kun sillä ainakin jo meni pwm-pulssi perille. Jos se kiinakortti antaa positiivisena sen pwm-pulssin, niin sehän taipuu trankun ja parin vastuksen kanssa tuon Yutakin kortin ohjaukseen. Olikos sulla kuin elektroniikan rakentelukokemusta?
 

jussi

Vakionaama
Olipas nyt aika vaikee sovittaa toi Yutakin puhallinkortti omaan ajatukseen ja mittaustuloksiin. Mut eiköhän se ole oikein nyt, siinä on vaan yksi lisäoptoerotin, jonka merkitys on arvoitus.
Toi 12V voi ihan hyvin olla ihan mitä vaan, vaikka myös 5V. Se pwm-ohjauksen sarjavastus vaan määräytyy sen mukaan. Vois olla 5V kanssa 1k vastus. Sen homma on vaan vilkutella opton ir-lediä pwm tahtiin. Jäipä näköjään vähän pieneksi tekstit kuvassa...
20250415_085351.jpg
 

harrastaja

Aktiivinen jäsen
Sen takia tuli haalittua noita rojuja et yhes ois ollu ees ehjä ohjauspuoli ku ite ei osaa nollista lähteä. koodaus ja elektroniikka utopiaa... Mut joo jos kiinan pojat pelastaa ja onhan täs aikaa viel ens talveen et saa pumpun kasaa ja piharakennukseen lämittimen ja vähä pitää viel rakentaakin et lämmöt pysyy sisällä
 

jussi

Vakionaama
Sen takia tuli haalittua noita rojuja et yhes ois ollu ees ehjä ohjauspuoli ku ite ei osaa nollista lähteä. koodaus ja elektroniikka utopiaa... Mut joo jos kiinan pojat pelastaa ja onhan täs aikaa viel ens talveen et saa pumpun kasaa ja piharakennukseen lämittimen ja vähä pitää viel rakentaakin et lämmöt pysyy sisällä
Kyllä mä voin yrittää jeesata sen elektroniikan kanssa, kun vaan tiedän mitä tarvitaan. En usko et on ihan mahdoton homma pistää toi kiinakortti ohjaamaan sitä Yutakin puhallinkorttia.
 

harrastaja

Aktiivinen jäsen
Todennäköisesti ensimmäiseksi kokeilen tohon oloniin tota ohjainta et toimiiko se millään muotoa järkevästi, siinä ac puhallin ni se ohjaus on tossa kortilla ok. En meinaa löytänyt sen höyrystimestä vuotoa vaik näin oli oletus 30bar pysynyt sisällä hyvin. Periaatteessa se vois olla valmis kone mut senverta pitää räpeltää et sais eev paisunnat siihen tolla kiinakortilla.
 

harrastaja

Aktiivinen jäsen
Ja ei taida energia mieles olla edes paras ratkaisu viritellä näitä mut kivaahan tää on ja hyvää vastapainoa muulle tekemiselle. Pari ilppiä kun laittas saunatupa ja talliin ni veisi varmaa vähiten sähköä
 

jussi

Vakionaama
Ja ei taida energia mieles olla edes paras ratkaisu viritellä näitä mut kivaahan tää on ja hyvää vastapainoa muulle tekemiselle. Pari ilppiä kun laittas saunatupa ja talliin ni veisi varmaa vähiten sähköä
Kyllä tää virittely on jo säästäny ihan reilusti tähänkin mennessä. Ja kivaahan se on opetella/kokeilla uusia juttuja, aika siistejäkin hommia vielä. Tänään piti kajota Chevyn vuotavaan takajarrusylinteriin, niin ei millään olis viittiny, kun taas on mustana kyynärpäitä myöten.
 

harrastaja

Aktiivinen jäsen
Onnistumisia päivä täynnä vaik oli tarkoitus tehä muita kun pumppuhommia. Sain niben korjattua, siintä juttua omassa topikissa.
Sain meinaa puhaltimen pyörimään. Ilmankos oli vaikeaa kun yutakin puhallin ei toimi. Päätin kokeilla tolla fujin puhaltimella (eri liitin kuin yutakissa niin siksi koekäytössä yutaki jonka liittimet tohon kortille sopivat, vaik toi fuji tulee lopulliseen kokoonpanoon( eka sain pyörimään tolla vastus kikkailulla, sitten muutin kytkennän ni pyörii ihan omineen. Tosin ei sammu ollenkaan mut kortin syöttö pitää varmaa ohjata puhaltimen relelähdöstä joka tuntuisi pelaavan oikein. Kytkentä muuten yks yhteen vasemmalta oikealle
 

harrastaja

Aktiivinen jäsen
Pumppu puolella ollut hiljaisempaa, raksahommia painettu pitkää iltaa, hyvä ehkä niin koska pumppuprejetiin tuli muutoksia.

Eli kävin hakemassa yhden rojun lisää, täälläkin palstalla vilahtanut nibe f750 poistoilmapumppu löysi täältä uuden kodin.
Oli vika diagnoosi sen oloinen että tosta voisi saada järkevää aihiota. ( tukosta jossain kylmäyksikössä) myyntikuvista katseltuna bt22 ja bt69 ja yhteysvirhe jotka viittavat lisäyksikköön tuloilmamoduuliin.

Alkuperäinen suunnitelma ei oikee edennyt kun ei sitä +1500l varaajaa tuntunut järkihintaan löytyvän ja hommat alkaa olee siinä vaiheessa et varaaja ois hyvä saada paikoilleen.

Vähä kerkesin illalla tutkia uutukaista, kylmäainepiirissä aineet jokseenkin tallessa kun painetta löyty , sitten pientä testiä. (Kuiviltaan, vastukselta johdot irti).Kone yritti tehä työtä puhallin pyöri hetken, kompura ei kerennyt lähteä kun tuli häly( yhteysvirhe lisäosa). Otin valikosta tuloilman ylsikön lisäosatäpän pois kun ei sitä siis ole.
Uusi yritys ja nyt kone pysyi päällä ja kompurakin alkoi tekemään työtä ja kylmäainepiirissä tapahtui lämpötilojen mukaa järkeviä asioita. Sammutin kun ei viitti kuivana ku hetken pyöräyttää.

Eli eloa on ja kaikki anturitiedot tuntui järkeviltä.En tiedä liittyykö toi koneen vika vesikierron ( tukokseen) vai onko ohjauspuolella joku bugi ettei tunnista tuloilmayksikköä. Vai mikä tämä huollon diagnoosi on.

Suunnitelmana puukottaa kone omiin tarpeisiin sopivaksi, kun ei toi varmaa piharakennuksessa järkevä laite olisi ja iv putket tehty ja enervent pingvin löytyy mikä tonne tulossa.

Varovainen suunnitelma oli kun puhe oli et vastuksella kone toimii, että toi osaa hoitaa lämmönjaon ja käyttöveden ja kiertopumpput ja muut tarpeelliset vesipuolen jutut löytyy.
Nyt vaikuttaa niin lupaavalta kun kopressori toimii ja invertteri niin otan ne ja käyttöön.

Tässä 2.9kw 1vaihe invertteri ja kompura taisi olla 2.8kw. Lauhdutin muuten naurettavan pieni.

Ajatus olisi fujitsun ulkoyksikkö jonka kylmäainekiertoa ja puhaltimia ohjaisi toi kiinan ohjain ja puhallin kortit hitachista. Kompressoria ohjaisi tämä f750 lauhduttimeksi voisi laittaa ton oilonin vaihtimen kun siinä Economizer niin voisi kokeilla alijäähyä imukaasulla.

Tarkoitus olisi pakata noi komponentit fujitsun sisään ja tehdä monokone.

F750 kylmäpiirin anturit tulee tietenkin paikoilleen ja kiinan ohjaimen myös.Ongelmia luvassa mutta mitä.
Sulatus mietityttää, kiinan ohjain hoitelee sitä puolta ja näytti sen logiikka olevan sellane etei se sammuta kompuraa venttiilinkäännön ajaksi tämä hyvä kun ei nibe tiedä koska se sulatus tulee. No Mitenkäs toi niben sulatus sehän pitäisi saada sellaiseksi ettei se sulata ollenkaan. Anturihuijauksilla voisi pysyä kurissa?
Niben Poistoilma anturithan voi laittaa enerventtiin? Sit ite poistoilmapuhallin Kait se pitäs pyöriä ja tai ainakin saada luulemaan et pyörii (osaaminen ei ehkä siihen riitä.

No mitens ton vesipuolen ratkaisisi kun glykolit ois kiva saada kiertoon. On lisäksi n.200l hybridi varaaja kahdella kierukalla. Vaik aikamoinen viritys tuloilla ni Kait noi myrkyt pitäs silti 2 senän takana puhtaasta vedestä yrittää saada. Täytyy tutkii tota niben rakennetta onko toi alasäiliö sillee et siellä voisi myrkyt olla ja toi kuuman veden teon ajaisi ton hybridin toisen kierukan kautta ja lisäpumpulla hybridin säiliöveden(puhas välivesi) ajaisi niben kierukalla säiliön kuumaksi. Ja käyttövesi tulisi hybridin toisen kierukan kautta niben säiliön. Nopee Ajatus en tiedä onko ees mahdollista näin. No kokeilemalla kaik selviää ku ei mitää insinööriosaamist oo
 

jussi

Vakionaama
Sulatus mietityttää, kiinan ohjain hoitelee sitä puolta ja näytti sen logiikka olevan sellane etei se sammuta kompuraa venttiilinkäännön ajaksi
Ton mun uima-allaspumpun oma logiikka oli sellanen ja aika äkkiä siitä kompura kypsykin. Jostain ihmeen syystä Copeland suosittaa myös tuota, tai ainakin yhden sellasen dokun olen lukenu scrolleista.
Itse en sellaista tekis, enkä tehny. Ei mene mun järkeen sen tempun äly. Mun softa odottelee, kääntää venan ja odottelee, sit vasta sulatus käyntiin. Ei se ihan väärin voi olla, kun nykyinen kompura on kuiten ylittäny jo 10v selkeesti.
 

Tompp@

Aktiivinen jäsen
Ton mun uima-allaspumpun oma logiikka oli sellanen ja aika äkkiä siitä kompura kypsykin. Jostain ihmeen syystä Copeland suosittaa myös tuota, tai ainakin yhden sellasen dokun olen lukenu scrolleista.
Itse en sellaista tekis, enkä tehny. Ei mene mun järkeen sen tempun äly. Mun softa odottelee, kääntää venan ja odottelee, sit vasta sulatus käyntiin. Ei se ihan väärin voi olla, kun nykyinen kompura on kuiten ylittäny jo 10v selkeesti.
Niben F20xx VILP:ssä oli myös venan kääntö pysäyttämättä kompuraa.. se on aikas tylyn kuuloinen tapahtuma ja koneikon putket värähteli aikas mukavasti...
 
Back
Ylös Bottom