Daiseikai 9.5 RAS-xxN4KVPG-ND / RAS-xxN4AVPG-ND

jarkko_h

Vakionaama
Tänään ollut mittari sisäyksikön päällä oranssin valon kohdalla, 23-24 astetta, pyynti 22 ja puhallus 4. Käynyt kokoajan pl. sulatukset. Onko sulla tota katkokäyntiä, jos niin lähteekö itsekseen käyntiin? Kuinka pitkiä katkot on?
Eli lämpötila on ollut isompi kuin pyynti. Pumppu on toominut juuri niin kuin pitääkin.

Katkojen pituus riippuu kuinka kauan lämmintä sisällä ilman pumppua. Esim. meillä lauhalla +5C asteen kelillä katko voi kestää jopa pari tuntia , jos keittiön uuni päällä. Sitten kun sisällä viilenee, lähtee pumppu käymään uudestaan.
 

oltsandeeri

Jäsen
Ulkolämpötila n. -6c

- Alakerran pumpun pyynti +19c, takkatila1, puhallus 3
- Yläkerran pumpun pyynti +18c, takkatila1, puhallus 2

Ei muita lämmityksiä päällä paitsi yläkerran kylppärin lattialämmitys maltillisella pyynnillä ja IV-kone lämmittää LTO:n jälkeen tuloilmaa tarvittaessa +15c asti.

- Alakerrassa toteutuva sisälämpötila n. 19,5 - 20,5c riippuen huoneesta
- Yläkerrassa toteutuva sisälämpötila n. 20,0c - 21,0c riippuen huoneesta

- Alakerran pumpun imuilman lämpötila 20,7c
- Yläkerran pumpun imuilman lämpötila 20,5c

Normaali suoritus?
 

KsK

Aktiivinen jäsen
TOSIPAHA taas pysähtynyt. Sisä- ja ulkoyksikkö molemmat. Sisäyksikön ylös/alas ohjaimet kääntyneet melkein kiinni ja liikkuvina olleet sivusuunnan ohjaimet pysähtyneet (sulatuksen aikana eivät pysähdy). Sen jälkeen kun huomasin odotin puoli tuntia, mitään ei tapahtunut. Laitoin hipowerin (maahantuojan neuvo), vartin päästä meni ilmanohjaimet normiasentoon ja liikkuvana olleet alkoi liikkumaan. 5 min päästä ulkoyksikkö käynnissä, 10 min sisäyksikkö ei puhalla, otin hipowerin pois ulkoyksikkö pysähtyi ja ohjaimet melkein kiinni ja toiset pysähtyi. Sitten takkatila1 niin alkaa sisäyksikön puhallus(kylmää) ja hetken päästä käynnistyy ulkoyksikkökin ja 5 min päästä alkoi sisäyksikön puhallus lämpeämään.

2 eri päivitystä laitettu ja edelleen tätä!!!???

Jos tota takkatilaa joutuu pitämään päällä ja vielä ilman takkaa niin tuo esitteen luokkansa korkein SCOP-arvo on huuhaata. Ei ole energiatehokasta puhaltaa sulatuksen jälkeen kylmää näin talviaikaan.
Jotta ei nyt kyse ole vain siitä, että lepäilee ihan aiheesta, kun haluttu lämpötila saavutettu: Ensi kerralla kun käy näin, niin nosta vaan pyynti vaikka maksimiin, jos lähtee muutaman hetken päästä puhaltamaan normaalisti taas lämmintä, niin kyse lienee ihan, että saavuttanut vain pyyntilämmön ja mennyt katkolle.

Jos ei lähde pyörimään ilman jotain resettausta yms. "kikkailua" vaikka nostat pyynnin selvästi yli sisälämmön, niin sitten varmaan käsillä jonkinasteinen ongelma.

Eipä tuo takkatilan käyttö tosin ole SCOP:ia heikentävä toiminto ymmärtääkseni. Ainakin oman tulkinnan mukaan Fujitsussani "takkatila" ei puhalla sulatuksen aikana (tällöinhän oikeasti toimisi jäähdyttäjänä sillä kierto on käännetty) vaan puhallus jatkuu, kun sulatus on ohi ja kierto palautettu. Tuo kylmän ilman tunne tulee siitä, että kenno ei ole vielä ehtinyt sulatuksen jäljiltä lämmetä kunnolla, kun puhallus alkaa, mutta vastaa siis samaa kuin sinulla olisi FAN tai CIRCULATOR -tila käytössä. Kuitenkin jos se vaan kierrättää sisäilmaa (jotain 18-25 asteen välillä keskimäärin) ja puhaltaa sitä vauhdilla kohti ihoasi, niin kyllähän se tuntuu kylmältä iholla vaikka se ei sitä nimellisesti ole, eikä myöskään sitä sisäilmaa viilennä sen enempää kuin se lattiatuuletin, joka kesällä ostetaan helpottamaan helteitä.

Koko takkatilahan olisi täysin hyödytön, jos se aktiivisesti "puhaltaisi kylmää" ja heikentäisi SCOP:ia, aina kun pumppu ei aktiivisesti lämmittäisi itse (esim. kun se takka on lämpimänä).

Loppuun nyt toki sanottava, että tämä on vain oma heuristinen päätelmä ja voi ollakin, että takkatilassa pumppu hetken puhaltaa oikeasti kylmempää ilmaa kuin vaan puhallus tilassa, jos kenno on sulatuksen jäljiltä todella kylmä ja täten oikeasti vähän jäähdyttääkin sisäilmaa sen pienen hetken ennen kuin kenno lämpeää. Mutta jos näin on, niin joku fiksumpi kertoo ja itsekin opin jotain.
 

Don MC

Jäsen
Kyllä se mun mielestäni takkatilassa sulatuksen jälkeen puhaltaa hetken ihan ehtaa kylmää kun kenno ja nesteet eivät vielä ole ehtineet lämmetä. Eli liian hätäseen pistää puhaltimen päälle sulatuksen jälkeen. Jos edes yhden lisäminuutin odottaisi, niin olisi jo parempi.
 

80sliving

Aktiivinen jäsen
Millaista ääntä teidän Premium kompura pitää? Saakohan tuota jotenkin akustoitua. Jonkun verran kantautuu makkarin seinänläpi ulkoa maatelineeltäkin tuo kompuran hurina. Aikalailla nuo pellit ja muovit rämisee. Ostin vaimennusjouset, täytyy asentaa kun ehtii. Kompuran käydessä kyllä tuo humisee aika reilusti.
 

timop

Aktiivinen jäsen
Ite lopetin takkatilan viikon jälkeen kun tuntui tuo kylmä ikävälle. Ja ei mitään hyötyä huomannut vaikka takkaa lämmitti, takka on kyllä eri tilassa ja hankala pohjakuva pumpulle sen suhteen.
Ja aivan kuin kulutus olisi ollut korkeampi, se oli kyllä satunnaisen seurannan osalta.
Tuo ottaa sen 540-660W 20 pyynnillä 75% teholla ilman takkaa, useasti oli siellä 700W isommalla puolella
 

jarkko_h

Vakionaama
Millaista ääntä teidän Premium kompura pitää? Saakohan tuota jotenkin akustoitua. Jonkun verran kantautuu makkarin seinänläpi ulkoa maatelineeltäkin tuo kompuran hurina. Aikalailla nuo pellit ja muovit rämisee. Ostin vaimennusjouset, täytyy asentaa kun ehtii. Kompuran käydessä kyllä tuo humisee aika reilusti.

Meillä 0 kelissä pitää eniten ääntä. Silloin resonoi 273 Hz ja toinen talon ulkosinä on siten ulkoyksikön ympärillä että tuo taajuus korostuu. Aallon huippu tulee vajaa metri seinästä. Kun tulee enemmän pakkasta tai nostaa pyyntiä menee piikkitaajuus yli 300 hz:n ja taajuusjakauma tasoittuu ja ääni muuttuu huminaksi. Tuo 273 Hz olisi aika helppo vaimentaa. Ei toistaiseksi tarvetta.

Talon välissä on otollinen paikka myös 50 hz resonanssille (seisova aalto). Tuo näkyy jonkin verran mutta ei häiritse lainkaan.
 

KsK

Aktiivinen jäsen
Kyllä se mun mielestäni takkatilassa sulatuksen jälkeen puhaltaa hetken ihan ehtaa kylmää kun kenno ja nesteet eivät vielä ole ehtineet lämmetä. Eli liian hätäseen pistää puhaltimen päälle sulatuksen jälkeen. Jos edes yhden lisäminuutin odottaisi, niin olisi jo parempi.
Okei en oo samaa huomannut omassa, en tiedä varmaan tuossa ohjelmallisestikin voi olla eroja eri merkkien ja mallien välillä, koska aloittaa sulatuksen jälkeen jne.
Pitääpä kiinnostuksesta yrittää saada joku osviitta mittaus, mitä oma puhaltaa heti sulatuksen jälkeen.

EDIT: Mittailin heti sulatuksen jälkeen ja ilmanohjaimien kohdalta sain n. 20-21 -astetta mitattua eli vastaa aikalailla huonelämpöä. Fujitsun manuskassa lukee vain: "Customer MAY experience feeling of cold air.. after defrosting operation" eli voi toki olla, että ehkä kovemmilla pakkasilla sitten korostuu? Sen myös tarkistin, että oma ei ainakaan aivan saman tien lähde puhaltamaan sisälle sen jälkeen, kun ulkoyksikön sulatus on ohi (siltä osin kun sen nyt äänestä kuulee, että sulattaa) vaan menee ehkä 30s - 1min siitä, että alkaa puhallus. Ehkä tässäkin voi olla eroja ja jos heti lähtee puhaltamaan, niin olettaisin, että kylmempää tulee myös sisälle.
 
Viimeksi muokattu:

Don MC

Jäsen
Mulla sisäyksikkö vielä kuplii ja korisee viimeisiä sulatuksia kun puhallin menee jo päälle. Eikä ulkona ole kuin -5°C.
En ole tosin nyt huoltomiehen käynnin jälkeen kokeillut Takkatilaa, joten en osaa sanoa onko tuohon nyt tullut muutosta.
 

timop

Aktiivinen jäsen
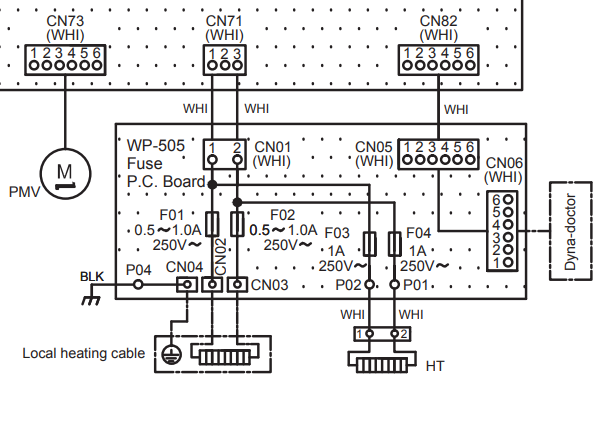
Ei tuossa näyttäisi olevan mitään erillistä relettä tuolle saatolämmityskaapelille.

katso liitettä 81212


Tuo pohjavastus on vakiotehoinen 50W/m kaapeli ja sitä on se 2 m siellä => 100W

katso liitettä 81213

onko tähän kukaan viritellyt jotain shelly/sonoff juttuja. alkaa harmittamaan tuo 120W taivaan tuuliin kun pumppu huilaa..

muoks: jos noihin HT liittimiin laittas esim perus 2metrisen sulanapitokaapelin ja irrottas ton oman, ei olisi varsinainen modaus ja säilyisi takuu
 

Abe

Jäsen
Tänään täällä päin rapiat -19...20c pakkasta. Otin vähän ennakkoon ja lämmäytin viime yöksi pönttöuunin kuumaksi ja laitoin aamulla pyynnin 24 ja puhalluksen 5 takkatila1. Oli mukavan lämmin tulla töistä kotiin. Lämpötila kauimmaisessa huoneessa +21.5c ja uunin kyljet vielä +35c. Pitää alkaa laittamaan tuo puhaltamaan täysillä päiväksi kun kukaan ei ole kotona niin toimii ainakin tässä hyvin. Mittasin ulospuhalluksen ilman sulatuksen jälkeen ja sain lukemaksi jäätävät +7 astetta kun ulkona oli pakkasta -19.2c. Saisi tuo kyllä vähän minun mielestä kerätä lämpöä ennen kuin pärähtää hönkä taas päälle. Pitäisikö vielä vaivata Thaimaalaisia saisiko ne tuota logiikkaa jotenkin muutettua? Ilman tuota pikku viluntunnetta sulatusten jälkeen laite on mielestäni täysi 10 niin asiakaspalvelun puolesta (Thaimaa) kuin näiden bugipäivitystenkin myötä.
 

KsK

Aktiivinen jäsen
Tänään täällä päin rapiat -19...20c pakkasta. Otin vähän ennakkoon ja lämmäytin viime yöksi pönttöuunin kuumaksi ja laitoin aamulla pyynnin 24 ja puhalluksen 5 takkatila1. Oli mukavan lämmin tulla töistä kotiin. Lämpötila kauimmaisessa huoneessa +21.5c ja uunin kyljet vielä +35c. Pitää alkaa laittamaan tuo puhaltamaan täysillä päiväksi kun kukaan ei ole kotona niin toimii ainakin tässä hyvin. Mittasin ulospuhalluksen ilman sulatuksen jälkeen ja sain lukemaksi jäätävät +7 astetta kun ulkona oli pakkasta -19.2c. Saisi tuo kyllä vähän minun mielestä kerätä lämpöä ennen kuin pärähtää hönkä taas päälle. Pitäisikö vielä vaivata Thaimaalaisia saisiko ne tuota logiikkaa jotenkin muutettua? Ilman tuota pikku viluntunnetta sulatusten jälkeen laite on mielestäni täysi 10 niin asiakaspalvelun puolesta (Thaimaa) kuin näiden bugipäivitystenkin myötä.
No joo aika hölmä ratkaisu tuo. Ymmärtäisin näissä merkeissä, jossa säädetään jotain vetoestoa tjsp. pois päältä ja siitä seuraa tuo kylmän puhaltaminen, mutta Toshiballa on kuitenkin erillinen Takkatila integroitu laitteeseen ja sille napit yms, joten oletusarvon pitäisi olla, että se on oikeasti speksattu tuohon tarkoitukseen.

Kannattaa varmaan kysellä sieltä Thaimaasta, jos linjat on kerta auki, että voisko tuohon lisätä vähän fiksumman rajauksen millaista ilmaa se hönkiin sisälle sulatuksen jälkeen takkatilassa tai vaihtoehtoisesti varmaan kaikista helpoin joku hihavakio "odota 90s sulatuksen jälkeen" implementoida. Tosin en tiedä voiko näihin mitään OTA päivityksiä tehdä vai vaatiiko ohjelmalogiikan muutos tällä tasolla päivityskakea yms.
 

Abe

Jäsen
Tätä mietin juuri itsekin millä tavalla muutoksen koneeseen saisi ajettua sisään. Kenen toimesta tai mistä tämä bugin korjaus kaukosäädin on ja kuka sen on esimerkiksi tehnyt. Eikös silläkin jotain logiikkaa muuteta jotta kone ei menisi enää jumitilaan ja apuahan siitä on ollut monella. Voinhan tosiaan kysyä ja aionkin että saisiko tähän mitenkään muutosta koska tyyliin "kuuraa lentää sisäyksiköstä" sulatuksen jälkeen! :D Jos se edes Thaimaan päässä on mahdollista. Pitääpä alkaa selvittelemään. Tuskin tuo kummoisia koodirivien kirjoituksia ottanee. Tai mistä minä tiiän miten nuo "päivitykset" loppupeleissä tehdään. :)

Edit: Eihän tuon kyllä kauaa tarvisi kerätä sulatuksen jälkeen itseään ennenkuin ilma olisi edes hivenen lämpimämpää. Jos takalla tms lämmitelty apuna niin väitän että ei kyllä kerkeä tulla kellekkään kylmä jos pitää odottaa vaikkapa tuo 90s sulatuksen jälkeen jos ei asu ihan jossain harakanpesässä. Voisi melkein kellotella kauan menee ilman takkatilaa pelkällä lämmitysmoodilla ennenkuin puhallus taas alkaa. Varmaan puolet tästä ajasta olisi lämpö jo paljon siedettävämpää.
 
Viimeksi muokattu:
  • Tykkää
Reactions: KsK

Abe

Jäsen
Tein tuossa muutamia testejä pönttöuuni punaisena. Laitoin takka2 päälle ja odottelin että sulatus alkaa. Sulatus kesti noin 7 minuuttia ja kun "suhahdus" kuului niin sisäyksikkö lähti edelleen heti puhaltamaan MUTTA erittäin pienillä kierroksilla,ehkä jopa alle 1 nopeudella. Aikaa meni noin 3 minuuttia lisää kunnes oli pyydetyt nopeudet (5) taulussa. Nosti kierroksia portaittain. No sitten vaihtelin sovelluksen kautta takka1 ja takka2 vuorotellen ja valitettavasti myös takka2 himmailee mutta ei pysähdy kokonaan niinkuin pelkällä lämmitysmoodilla. Ilman takkatiloja sisäyksikkö veti heti pelit seis ja käänsi lavat vaakatasoon vähänkuin valmius tilaan. Takka1 taas päälle puhallus 5 ja ilma liikkuu! Takka2 päälle puhallus 5 ja tiputti sen suoraan noin 2-2,5 nopeudelle korvakuulolla. Sovelluksella komennot menevät paljon nopeammin perille kuin kaukosäätimellä näpyttelemällä. Olin aluksi että jes,ei puhallakkaan niin kylmää aluksi takka2 mutta valitettavasti sekin leikkaa todella rajusti puhallusnopeutta.


Vaihdeltiin ajatuksia Thaimaalaisten kanssa ja ainakaan hän ei osannut tai halunnut kertoa huoltokaukosäätimestä yhtään mitään ja kehoitti ottamaan yhteyttä oman maan Toshiba huoltoon logiikan muuttamiseksi. Kehoitti käyttämään Takka2 jos ei halua sitä viluntunnetta heti sulatuksen jälkeen mutta valitettavasti kuten aiemmin kerroin se leikkaa rajusti myös puhallusnopeutta ja puskee silti hiljakseen kylmää. Ja kuten me kaikki tossuttelijat tiedetään minkälaista asiakaspalvelua Suomen päästä saa niin voi olla että heillä menee sormi suuhun ja toinen per......n kun menee kyselemään tyhmiä. Vaan taianpa kysellä silti. :D Oisko kellään mitään ideoita kuka sen huoltokaukkarin on tehnyt tai mistä se on peräisin? Kukaan kuullut mitään korjaavien päivitysten aikana missä se viimeksi oli tms? Voihan se olla että tuota ei pystyisi loppupeleissä mitenkään muuttamaan mutta olisi se kiva saada kuitenkin varmistus asiaan.


Ps. Pömpeli pelannut mainiosti näillä kovilla pakkasilla. Lämpöä riittää hyvin ja vielä on reservissä löylyä jos niikseen tulee.
 

Abe

Jäsen
Tuo on aina ollut 100% teholla. Pitäisi keksiä joku helppo kulutuksen mittaus tuolle pumpulle. Service manuaalissa oli näin tuosta maininta.
 

Liitteet

  • Screenshot_20221213-214729_Gallery.jpg
    Screenshot_20221213-214729_Gallery.jpg
    112 KB · Katsottu: 228

timop

Aktiivinen jäsen
tuolla omalla monitoroinnilla 75% teholla 20-> 21 pyynnin nost pomppaa 600-660-> 780-840W tuosta sen 100W voi laskea siihn pohjavastukseen. yöllä näkyi käyvän 1000W hujakoilla
 

Don MC

Jäsen
Mahtaako tolla tehovalinnalla lopulta olla suurtakaan merkitystä? Torpan lämmittäminen 20°C kun vaatii aina sen saman määrän energiaa, oli se tehovalinta missä asennossa tahansa.
 

VesA

In Memoriam
Mahtaako tolla tehovalinnalla lopulta olla suurtakaan merkitystä? Torpan lämmittäminen 20°C kun vaatii aina sen saman määrän energiaa, oli se tehovalinta missä asennossa tahansa.
Tehovalinnalla voi vaikuttaa lähinnä sulatuksiin jos pumpulla on taipumusta vedellä suurilla tehoilla heti sulatuksen jälkeen - tämä alkukiukku vetää varsinkin kostealla säällä kennon turhaan tukkoon. Toisaalta pumppu alkaa sitten sulatuksen jälkeen lämmittää hitaammin.
 

oltsandeeri

Jäsen
Hämmentävää, että ei ole tarpeen ollut muuttaa pumppujen pyyntilämpötilaa vaikka ulkolämpötila on laskenut 2 viikon sisään n. -2c lämpötilasta aina -15c asti.

Alakerran pumpun pyynti on ollut aika lailla koko ajan +19 ja yläkerran +18.
Imuilma kummassakin kerroksessa kohtuu vakaasti n. 1-2 astetta korkeampi kuin pyynti.
 
  • Tykkää
Reactions: Abe

mijuta

Jäsen
Meille asennettiin kesällä kaksi kappaletta 25premiumplussia pelletin kulutusta leikkaamaan. Pellettikattila on toki nyt lämmityskaudella päällä ja huolehtii käyttövedestä ja kylpyhuoneen lattialämmityksestä. Vesikiertoisissa pattereissa termostaatit 20 asteessa ja ilppien tavoitelämpötila 24 astetta, puhallus 3/5 ja takkatila 1 käytössä. Toteutuneet huonelämpötilat 23-21 asteiden välillä eli toivotunlaiset. Vetoisimpien ikkunoiden alla patterit tuntuvat hieman haaleilta, mutta pääasiassa ilpit ovat vielä huolehtineet talon lämmityksestä kylpyhuone poislukien. Nollakelissä sulatusvesiä kertyi puoli laastipaljullista viikossa (n.30L), nyt kovemmilla pakkasilla 3-4 kertaa vähemmän.

Kummankaan ilpin sähkönkulutusta en pysty erikseen seuraamaan. Nollakelissä koko talon sähkönkulutus on ollut 45-50kWh päivässä ja -10C ulkolämpötilassa 60-65kWh. Vuosi sitten ennen ilppejä päiväkohtainen kulutus pyöri 20kWh:n tuntumassa.

Kokeilumielessä minulla oli ilpeissä tehonrajoitus 75% käytössä, mutta kun elohopea laski hetkellisesti -15Celsiusasteeseen, alkoi huonelämpötilat laskea ja otin tehonrajoituksen pois käytöstä, jolloin ilpit jaksoivat pitää huonelämpötilan toivotunlaisena. Tästä päättelen, että elohopean lähestyessä -20C lukea, alkaa pellettipoltin ottamaan isompaa roolia talon lämmityksessä. Näillä leveyspiireillä tällaiset pakkasjaksot ovat kuitenkin suhteellisen harvassa ja toistaiseksi arvioin stokerisäiliön täyttövälin harventuneen yli kaksinkertaiseksi.

Sulatusjakson jälkeen myös meillä ilpit hönkivät ensimmäisen minuutin viileää ilmaa, mutta sisäyksiköiden sijoittelusta ja puhallussuunnasta johtuen tuota ei käyttäjä normaalisti huomaa.

Keittiön puuliedessä on myös poltettu pari pesällistä puita aamuisin ja lisäksi nyt kireämmillä pakkasilla myös iltaisin, kuten aikana ennen ilppejäkin tuli tehtyä.
 

oltsandeeri

Jäsen
Halkoholistin muistoa kunnioittaen - alla kuva alakerran pumpun tuottamista iglunrakennuspalikoista viimeisen 1,5 viikon ajalta:

1671362362658.png


Yläkerran pumppu pääsee paljon vähemmällä eikä sulatusvettä / jäätä kerry kuin ehkä n. 10 %:a siitä mitä alakerran pumpulla.
 

80sliving

Aktiivinen jäsen
Meillä 0 kelissä pitää eniten ääntä. Silloin resonoi 273 Hz ja toinen talon ulkosinä on siten ulkoyksikön ympärillä että tuo taajuus korostuu. Aallon huippu tulee vajaa metri seinästä. Kun tulee enemmän pakkasta tai nostaa pyyntiä menee piikkitaajuus yli 300 hz:n ja taajuusjakauma tasoittuu ja ääni muuttuu huminaksi. Tuo 273 Hz olisi aika helppo vaimentaa. Ei toistaiseksi tarvetta.

Talon välissä on otollinen paikka myös 50 hz resonanssille (seisova aalto). Tuo näkyy jonkin verran mutta ei häiritse lainkaan.
Jouset vaihdettu alle. Ei oikein vaikuttanut ääneen. Laite siis maatelineellä. Hieman makkarista sivussa seinän takana. Tuo propelin pyörimisääni ja välillä kompura kuuluu eri taajuuksilla sisälle nukkuessa. Onko jotain asioita mitkä vaikuttaisi tuohon tai voisi parantaa?
 

timop

Aktiivinen jäsen
Tuli testattua nyt kun pumppu huilailee illala takan ja saunan lämmityksen johdosta, 120W menee sähköä vaikka virrat on pois
 

Roikkeli

Jäsen
kuulostaa paljolta toi 120w vaikka virrat pois, en ihan tohon usko? Itellä ku seurannu nii jossain yli -5 ulkolämpötiloissa vie 35w/h eli sen minkä puhallin ottaa ja sitten ko keli viileenee tosta nii rupee ottaa tuota 120w vaikkei lämmitä, mutta nämä lukemat siis "tyhjäkäynnillä" ts takkatoiminnolla, ei suinkaan virrat pois?!?!?
 

m0_5

Jäsen
Premium+ 25 näyttää ottavan 120W kelin ollessa jo pikku pakkasella ja virrat pois päältä. Ulkoyksikön lämmitysvastus siellä lämmittää harakoita. Sen voi todeta sormella.
 

timop

Aktiivinen jäsen
kuulostaa paljolta toi 120w vaikka virrat pois, en ihan tohon usko? Itellä ku seurannu nii jossain yli -5 ulkolämpötiloissa vie 35w/h eli sen minkä puhallin ottaa ja sitten ko keli viileenee tosta nii rupee ottaa tuota 120w vaikkei lämmitä, mutta nämä lukemat siis "tyhjäkäynnillä" ts takkatoiminnolla, ei suinkaan virrat pois?!?!?
tuon se kuiteki vie. mittaus on pulssilaskurista 1000imp/kWh jota luetaan esp32:lla.
olen tuon toistanut muutaman kerran. Nytkin -2.2 ulkona ja 120W. pitää jättää pidemmäksi aikaa pois päältä kokeeksi..
 

Don MC

Jäsen
Jaahas. Eli siis pakkasella on koko ajan päällä tuo vastus? Mulle myyjä sanoi, että se on päällä ainoastaan sulatusten ajan. (Se on pakkasella järjen mukaan ainoa aika, jolloin ulkoyksikössä on sulanapitoa vaativaa vettä.)
Noh, parannus sekin entiseen Toshibaan, jossa pohjavastus oli päällä kesät talvet. Asensin itse siihen termostaatin.

Kannattaa siis sammuttaa sulaketaulusta tuo vehjes jos meinaa olla käyttämättä. Näin mä olen aina muutenkin tehnyt.
 

timop

Aktiivinen jäsen
mietin tuota juuri että jos irrottaa joko sen vastuksen liittimestään ja väliin joku wifi palikka sonoff basic, joka helpoin.
tai irti pysyvästi ja siihen toiseen jos siellä on semmonen ja sulanapitokaapeli 10W/m vaikka kolme metriä sinne pohjalle.
 

Don MC

Jäsen
Mulla oli tuota 10W/m sulanapitokaapelia parin metrin kieppi vanhan Toshiban pohjalla. Hädin tuskin jaksoi pitää sulana. Se pitää todella tarkkaan miettiä se kulkureitti (kulkee kennon alta ja pohjareikien kautta) ja saada se kaapeli tiiviisti pohjalevyyn kiinni, koska parin sentin päässä kaapelista on pohjalevy jo umpijäässä. Jos jää vähänkään ilmaa kaapelin ja pohjalevyn väliin, niin pohjalevy jäätyy.

Sulanapitokaapelin tökkeli oli sellasessa Nexan älypistorasiassa ja sitä napsautteli päälle ja pois Raspberry Pi ulkolämpötilan mukaan.
 

timop

Aktiivinen jäsen
eli ehkä se oma sitten ja siihen palikkaa väliin. tai melkein sille oma sähkö. ajastaa vaikka tunnin välein päälle. tai olen tuon integroinut home assistantille (https://github.com/h4de5/home-assistant-toshiba_ac) niin saahan sitä ohjattua vaikka sulatuksien mukaan, puhalluslämpötila on onewire mittauksen takana.
pitää vähän tuumata. ei näitäkään tarvitsisi ihmetellä jossei sähkö maksaisi 39,9s/kwh (alv24%)
 

Don MC

Jäsen
Kyllä, käyttäisin itsekin sitä 100W kaapelia. Se sentään sulattaakin jotain. Minä vaihdoin siihen edelliseen koneeseen tuollaisen 10W/m kaapelin ikäänkuin pakosta, kun koneen oma kaapeli hajosi, eikä normi rautakaupasta saanut kuin noita. Ehkä olis pitänyt ostaa pidempi kieppi (esmes 4m) ja laittaa se kiertämään kaksi kierrosta.
 

jarkko_h

Vakionaama
Muistaakseni @janti on erimerkkiseen pumppuun virittänyt systeemin joka ottaa herätteen sulatukselle 4 - venttiilistä. Kun katsoo Toshiban piirikaaviota, niin mielestäni aivan sama idea toimisi Toshibassa.

On aika hurjaa että vielä nykyaikana pumppuihin ei saa rakennettua tehtaalla tämmöistä energiaa säästävää yksinkertaista automatiikkaa valmiiksi. Taitaa olla kaikissa tai lähes kaikissa pumpuissa vastus olla päällä pakkasilla. 2,4 kWh vastuksen vuorokausikulutuksen saisi tehtaalla muutettua 3 rivin koodinpätkällä luokkaan 0,6 kWh/vrk.
 

VesA

In Memoriam
Kyllä, käyttäisin itsekin sitä 100W kaapelia. Se sentään sulattaakin jotain.
Ei sillä ole tarkoitus sulattaa jonnekin ilmestyneitä jäitä vaan pitää kennosta valuva vesi sulana ulos asti. Siihen ei monta Wattia tarvita jos lämmitys on veden reitillä, mutta pumppujen mukana tulevat vastusviritykset ovat vähän kummallisia.
 

Don MC

Jäsen
Jos olisi tarkoitus pitää vastusta päällä vain sulatusten aikana niin silloin tuo 100W olisi kyllä paikallaan.

Edellisessä Tossussa tuo 20 wattinen riitti niukin naukin pitämään veden poistumisireitit sulana. Ja sekin vaati miettimistä mitä kautta se kannattaa laittaa kiertämään. Kennon ja pohjalevyn välissä ei ollut tilaa, joten oli pakko laittaa kulkemaan mahdollisimman läheltä kennon vierestä. Ja silleen, että se myös kiersi veden poistumisaukkojen kautta ja hieman jopa kurkki niistä ulos. Muuten ne jäätyivät heti tukkoon.

Ja piti katsoa myös ettei se kaapeli tehnyt mitään vallia ja kerännyt vettä (sieltä täältä millin irti pohjalevystä, esmes nippusiteen pätkä väliin, mutta muuten kyllä mahdollisimman kiinni pohjalevyssä).
Ja piti myös katsoa ettei puhaltimen kohdalle alkanut kertymään mitään jäävuorta.

Kolmi- tai nelimetrinen olisi ehkä ollut helpompi laittaa kiertämään kaikista paikoista kuin tuo kaksimetrinen.
Eikä ole muuten maailman notkeinta kaapelia myöskään tuo.
 
Viimeksi muokattu:

janti

Moderaattori
Ylläpidon jäsen
Muistaakseni @janti on erimerkkiseen pumppuun virittänyt systeemin joka ottaa herätteen sulatukselle 4 - venttiilistä. Kun katsoo Toshiban piirikaaviota, niin mielestäni aivan sama idea toimisi Toshibassa.

Mulla ei ole 4-tien kautta ohjausta vaan on ylimääräinen termostaatti kiinni huoltoventtiilissä. ;)

img_20210216_163200-jpg.69686


@someone teki viivästysreleen avulla tuon "4-tieohjauksen".
 
Viimeksi muokattu:

JuhaP

Tulokas
Itselle tuli ennen jouluaattoa premium+ 25 seinälle, vanhan panasonicin kuoltua. Väpättääkö teillä sisäyksikön puhallinrumpu? Itsellä tekee näin ja kuullostaa niinku olis helikopteri sisäyksikössä.
 

jarkko_h

Vakionaama
Itselle tuli ennen jouluaattoa premium+ 25 seinälle, vanhan panasonicin kuoltua. Väpättääkö teillä sisäyksikön puhallinrumpu? Itsellä tekee näin ja kuullostaa niinku olis helikopteri sisäyksikössä.
Täällä vanha premium 25. Ei väpätä, ei mielestäni kuulu asiaan.

Joku oli pienen väpätyksen/kahmauksen saanut pois työntämällä rumpua toiseen reunaan
. Eli kone seis ja varovasti ohjaimet auki ja kevyesti rummusta kiinni. Tuota voi halutessaan kokeilla. Jos ei auta, asentajalle/myyjälle ilmoitus viasta. Tai sitten suoraan ilmoitus asentajalle/myyjälle.
 

vmakela

Vakionaama
Ei väpätä perus premium 25, mutta toisinaan vikissyt, kun esim puhaltaa jäähdytyksellä hiljaisella teholla. Sellainen tosi tosi hiljainen kvik kvik kvik jonka juuri erottaa. Johtuuko muovilamellien hitaasta ja pienestä liikkeestä ja joku väli kaipaisi suihkauksen silikonia, vai mikä lie. Lämmityskaudella en muista kuulleeni, mutta puhallus onkin toki kakkosesta alkaen, nyt kolmosella.
 
Back
Ylös Bottom