Toshiban PKVPG-ND - Daiseikai 9

P

Poistunut käyttäjä 16081

Vieras
Kiitos vastauksesta. Toshiba suomen tyyppi oli sitä mieltä puhelimessa että ei siinä takkatoiminnossa ole koskaan ollut ilman levittäjä mahdollisuutta... Onko ollut joskus?
No ei varmasti ole ollut, koska moinen bugi on tehtaalla pumpun omaan softaan unohtunut :rolleyes: Koskee myös uudempaa premium+ mallia.
Ja mahdollisesti kaikkia muitakin malleja joissa sivusuunnan ohjaus on kaukosäätimen kautta, eikä käsin manuaalisesti.

Ilmeisesti niin harva käyttää tuota yhdistelmää (levitys vasen & oikea) + takkatila (tai hi-power), ettei siitä ole riittävän moni valittanut tehtaalle. Suomen maahantuojalle nyt turha kertoa mitään, sen olen oppinut.

Tässä kunhan innostun, niin laitan tuostakin bugista suoraan thaimaahan kyselyä.

Ellen aivan pahasti arvaa pieleen, niin suomen maahantuoja ei ole edes ilmoittanut valmistajalle asiasta.
 

MakeH

Jäsen
Onko kukaan huomannut tuota jumitusta takkatilaa käytettäessä? Eli uunin lämmityksen yhteydessä huomasin että sisäyksikkö kyllä puhaltaa ja kierrättää ilmaa takkatoiminnolla mutta ulkoyksikkö hurisee myös samaan aikaan äänekkäästi. Eikös tuon pitäisi hiljentyä kokonaan. Laitoin kokeeksi takkatilan pois, sisäyksikkö pysähtyi ja ulkona ei tapahtunut muutosta.
 

tet

Hyperaktiivi
^ Mikä oli lämpötila-asetus verrattuna huonelämpötilaan? Takkatilahan ei ole mikään pelkän puhalluksen tila, se lämmittää kyllä jos lämpötila on alempana kuin asetusarvo. Ainoastaan jos ollaan asetuksen yläpuolella, takkatilalla on merkitystä.
 

MakeH

Jäsen
Pyynti taisi olla 21 astetta ja ulkona n. -10. Lämmitystarve vähäinen. Juuri tälläisissä tilanteissa huomannut jumituksen. Jos pumppu saa tehdä kunnolla lämpöä, se on toiminut hyvin.

Edit; olihan tuolla muutammalla käyttäjällä havaintoa jumista myös takkatilaa käyttäessä. Outo homma. Voiko olla että pitää pakkasella kompuraa "lämpimänä" eikä sammuta kokonaan..
 
Viimeksi muokattu:

MakeH

Jäsen
Kokeilin tänään pudottaa lämpöpyyntiä 18 paikkeille jumitilanteessa ja ulkoyksikkö tosiaan hiljenee kokonaan. Pyyntiä nostamalla taas herää hetken päästä lämmittämään normaalisti.
 

tet

Hyperaktiivi
^ En epäile, etteikö jumitus olisi mahdollista, koska itsekin moisen olen kokenut joskus kun pysäytin laitteen hetkeksi suodattimien putsausta varten. Mutta se oli ilman takkatilaa, ja startissa - takkatilalla ei ole muistaakseni koskaan jumittanut. Selvennyksenä vielä edelliseen viestiini, ulkolämpötilasta en ollut kiinnostunut koska se ei hirmuisesti välttämättä vaikuta. Sisälämpötilan ja asetuksen ero pääasiassa ohjaa laitteen lämmöntuottoa, kuten itsekin totesit - kun laskit pyynnin selvästi alle sisälämpötilan, ulkoyksikkö pysähtyi. Noin sen pitääkin toimia. Näin sanallisten kuvausten välityksellä on vaikea sanoa, onko vikaa vai ei.
 
Onko nyt kylmät aineet karkumatkalla, vai jokin muu looginen selitys? Pakkasta -25, kone käy täydellä teholla.

Mikäli oikein muistan, samaa on ollut havaittavissa myös pienemmällä lämmitystarpeella, mutta tapahtuuko tätä nykyisin aina, en nyt muista.

Kerran jopa tuli pieni jääraita tuohon huurtuneen kohdan alkuun, jota normi sulatuksilla oli haastetta sulattaa, mutta pakotetulla 15min sulatuksilla se katosi.

Millä ulkolämpötilalla kannattaa ajella hemmotesti?


IMG_20230222_105439.jpg
 
Onko nyt kylmät aineet karkumatkalla, vai jokin muu looginen selitys? Pakkasta -25, kone käy täydellä teholla.

Mikäli oikein muistan, samaa on ollut havaittavissa myös pienemmällä lämmitystarpeella, mutta tapahtuuko tätä nykyisin aina, en nyt muista.

Kerran jopa tuli pieni jääraita tuohon huurtuneen kohdan alkuun, jota normi sulatuksilla oli haastetta sulattaa, mutta pakotetulla 15min sulatuksilla se katosi.

Millä ulkolämpötilalla kannattaa ajella hemmotesti?


katso liitettä 85038

Näkyy tekevän tätä etenkin kovemmilla/kovimmilla kuormituksilla, eli pakkasten kiriessä. Sopivan lauhalla säällä huurtuu melkolailla tasaisesti, eroa on anakin vaikeampi huomata.

Merki ainevajauksesta, vai jotakin muuta?

En ole kyllä havainnut mitään tehon laskua. Pitää varmaan ajaa hemmotesti, mutta mikä ulkolämpötila olisi varmin tapa kokeilla onko koneessa kaikki puhti tallella?
 
15 pakkasta, pyynti maltillinen 21c,
Puhallus 4, ulostuleva ilma n. 35c, sisällä 21c.

Koneesta irtoaisi enemmänkin potkua tässä kelissä, mutta silti tekee vajaakuuraista kennoa?

IMG_20230303_070435.jpg
 
Pakkasilma on varsin kuivaa. Omalla Daikinilla sulatukset harvenee selvästi kun ilman kosteus menee alle 80%:n. 90-100%:ssa sulattelee jopa 2-3h välein.

Mutta miksi koko kenno ei huurru?

Yleensä jos näin on, niin on kyse joko kylmäaineen vajauksesta, tai erittäin pienestä kuormasta.

Tämä tekee nykyisin tätä huurtumatonta kohtaa vaikka kävisi nupit kaakossa, tai hieman pienemmälläkin teholla.

Jossakin muutaman asteen pakkasilla huurtuu kutakuinkin tasaisesti koko kenno.
 

Sukke

Aktiivinen jäsen
Kuluttaako nämä minkä verran, jos laite on kytketty verkkoon, mutta ei ole päällä?

Täällä Toshiba on kytketty pistorasiaryhmään, jonka kulutusta seuraan Shellyllä. Muita laitteita ei pihan koristeledvalojen lisäksi pitäisi olla.

Näyttäisi nyt pakkasilla tulevan noin 100 W kulutusta tuosta ryhmästä. Pitääkö laite jotain peruslämpöä päällä, jos se on kytketty verkkoon?

Jatkokysymyksenä: onko mitään estettä ottaa virrat laitteesta kokonaan pois talveksi, jos seuraava käyttö on kesän helteillä?

ILP oli aiemmin mukana lämmityksessä, mutta jäi nyt MLP:n myötä virattomaksi lämmityskäytön osalta.
 

remykv

Vakionaama
Kuluttaako nämä minkä verran, jos laite on kytketty verkkoon, mutta ei ole päällä?

Täällä Toshiba on kytketty pistorasiaryhmään, jonka kulutusta seuraan Shellyllä. Muita laitteita ei pihan koristeledvalojen lisäksi pitäisi olla.

Näyttäisi nyt pakkasilla tulevan noin 100 W kulutusta tuosta ryhmästä. Pitääkö laite jotain peruslämpöä päällä, jos se on kytketty verkkoon?

Jatkokysymyksenä: onko mitään estettä ottaa virrat laitteesta kokonaan pois talveksi, jos seuraava käyttö on kesän helteillä?

ILP oli aiemmin mukana lämmityksessä, mutta jäi nyt MLP:n myötä virattomaksi lämmityskäytön osalta.
Olisiko pohjan sulanapitokaapeli syypää kulutukseen, voi katkaista virran laitteelta kun käyttö vain kesällä.
 
15 pakkasta, pyynti maltillinen 21c,
Puhallus 4, ulostuleva ilma n. 35c, sisällä 21c.

Koneesta irtoaisi enemmänkin potkua tässä kelissä, mutta silti tekee vajaakuuraista kennoa?

katso liitettä 85256

Mikäs tässä nyt on erilaista, kun jäätämätön ura onkin ylhäällä?

Liittynee hyvin pieneen lämmitystarpeeseen? Keli kostea, hieman ehkä plussalla, taisi olla pitkä jakso ilman sulatusta.
Joitakin kertoja on samalta näyttänyt, ja yhteinen tekijä taisi olla hyvin pieni lämmitystarve.
IMG_20230501_125735.jpg

Tämä lienee normaalimpi tilanne, kuin että jäätämätön raita olisi alhaalla?
 

janti

Moderaattori
Ylläpidon jäsen
Mikäs tässä nyt on erilaista, kun jäätämätön ura onkin ylhäällä?
Kennon yläosassa ei tapahdu kylmäaineen höyrystymistä. Ulkoilma on plussan puolella => sulatusehto ei laukea kellon mukaan
Tilanne on voinut edetä hitaasti kennon alaosan huurtuessa vähitellen "umpeen".

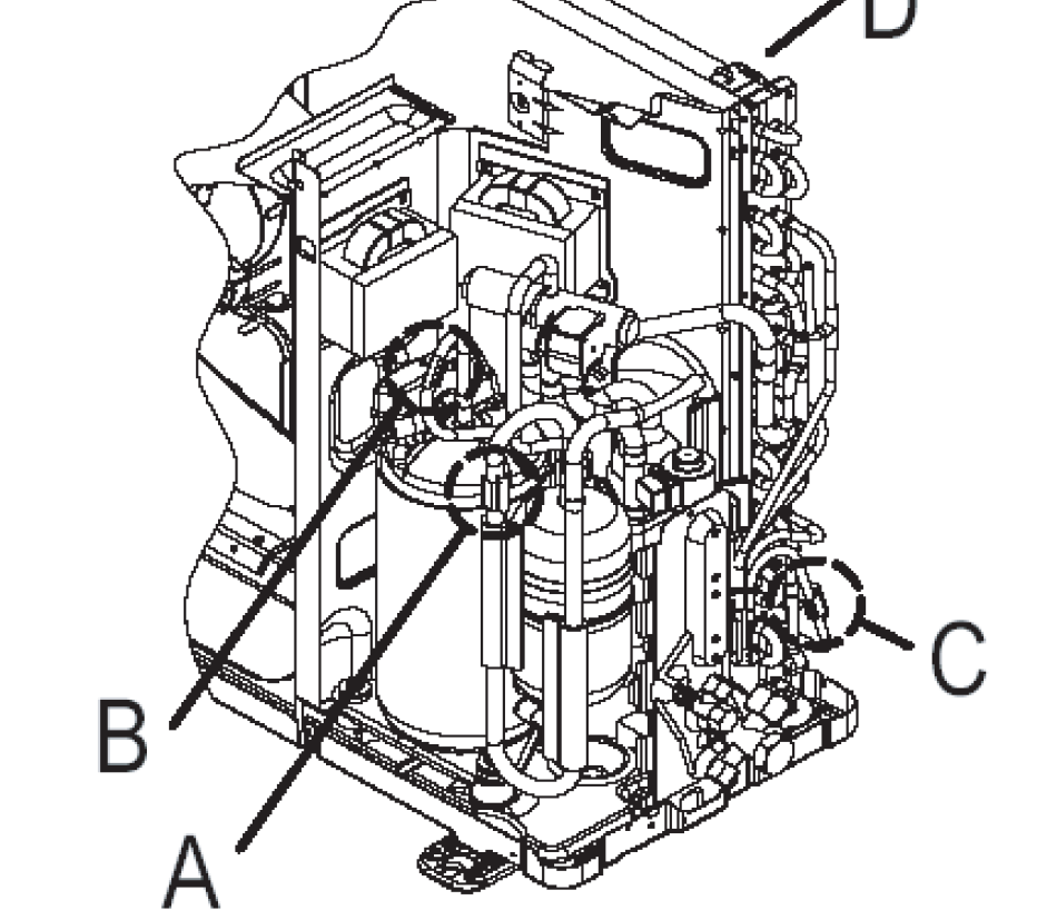
Sulatuksen pitäisi siis laueta plussakelillä D zonella TE eli kennoanturin mukaan (sijain kuvassa C), kun anturin mittaus menee alle 0C.
=> Anturi saa jostain lämpöä tai sitten siinä on vain pientä virhettä, kun sulatusehto ei laukea.

1683024697316.png
 
Viimeksi muokattu:
Kun puhaltimen nopeus on AUTO, ja lisäksi päällä takkatila (nopeammin puhaltava versio), niin millainen on käyrä puhaltimen nopeuden ja puhallettavan ilman välillä? Miten vertautuu manuaalisiin puhallinnopeuksiin?
 

jarkko_h

Vakionaama
Kun puhaltimen nopeus on AUTO, ja lisäksi päällä takkatila (nopeammin puhaltava versio), niin millainen on käyrä puhaltimen nopeuden ja puhallettavan ilman välillä? Miten vertautuu manuaalisiin puhallinnopeuksiin?

Vanhan premiumin sevice manuaalin mukaan puhallinnopeus pysyy 2 ja 4 välissä. Nopeus vastaa nelosta (950 rpm) kun asetetun ja ympäristön välinen lämpötilaero on 5,5 astetta. Kun ero alle 0,5 astetta laite puhaltaa 2 tasolla (750 rpm).
 
Viimeksi muokattu:
Onko joku testannut miten tässä saa fahrenheit asteikon lämpötilalle?

Ja jatkokysymyksenä, onnistuuko tässä säätää lämpötilaa n. puolen asteen välein, kun käytössä on fahrenheit?
 
Vanhan premiumin sevice manuaalin mukaan puhallinnopeus pysyy 2 ja 4 välissä. Nopeus vastaa nelosta (950 rpm) kun asetetun ja ympäristön välinen lämpötilaero on 5,5 astetta. Kun ero alle 0,5 astetta laite puhaltaa 2 tasolla (750 rpm).

Joo hurja on kyllä tämä "gäppi", outo logiikka, että puhallusta aletaan nostamaan "huippuunsa" vasta kun kämppä on viilennyt esim 20 asteesta n. 15 asteeseen...

Onko tuo "gäppi" samaa luokkaa (5,5 astetta) myös normaalilla automaattisella puhallusnopeudella?
 
Toshiba (25) maksoi itsensä takaisin (hankinta & asennuskulut) 3,3 vuodessa. Jos se pelittäisi isommitta korjaus/huoltokuluitta vielä 7 vuotta, niin tuona aikana rahaa säästyisi (nykyisillä siirron ja sähkön hinnoilla) n. 5200 euroa.

Image2.jpg


Ja ei, minulla ei ole kulutusmittaria pumpussa, mutta varsin tarkat tiedot ja tilastot lämmitystarpeesta eri ulkolämpötiloissa, yms tarvittava exeli data vertailuun, muun muassa suorasähköpatterikaudelta. Takan tuoma säästökin on varsn tarkasti "exelöity" niin suorasähkön kuin pumpunkin kanssa, eli takan tuomaa säästöä ei ole otettu huomioon tuossa kuvassa, vaan se tulee tuohon "päälle", vaikka aika pieni onkin pumpun tuomaan säästöön verrattuna.
 
Viimeksi muokattu:
Nyt kun pakkasta on ollut päivätolkulla -30... -36c, niin joidenkin pumppuvalmistajien pumpuissa on ilmennyt "pakkashullunkiertoa", eli tosi tiheään tapahtuvia sulatuksia tyyliin 20min lämmitysjaksot.

Tässä kohtaa kyllä kiittelee Toshiban varmaa kellosulatusta, eli 1,5 tunnin lämitysvetoja näillä yli -15c pakkasilla. Joku tolkku sentään.
Lämpöähän nämä ei tuota "juuri nimeksikään" -36c pakkasella, mutta se ei liene kenellekään yllätys.
 

Energy83

Jäsen
Tänään tuli ilmi seuraavaa. Laite 4v vanha Premium 25.

Pakkasta -29. Pyynti 30, hi power, sisäyksikkö ei lähde puhaltamaan millään. Takkakytkin päälle, sisäyksikkö herää puhaltamaan max. 19-20asteista. Buutattu on, resetoitu, virrat käytetty pois, ei vaikutusta. Ei sulattele. Ulkoyksikössä rupelli jauhaa.

Ulkoyksikkö rikki vai kylmäaineet karannut?
 

J.Harju

Jäsen
Meillä teki eilen saman. Reilu 4v vanha ja aivan samat oireet.
En oo kahteen päivään saanu heräämään.
Ens viikolle sain huoltoa paikalle.
 
Tänään tuli ilmi seuraavaa. Laite 4v vanha Premium 25.

Pakkasta -29. Pyynti 30, hi power, sisäyksikkö ei lähde puhaltamaan millään. Takkakytkin päälle, sisäyksikkö herää puhaltamaan max. 19-20asteista. Buutattu on, resetoitu, virrat käytetty pois, ei vaikutusta. Ei sulattele. Ulkoyksikössä rupelli jauhaa.

Ulkoyksikkö rikki vai kylmäaineet karannut?

Kauanko odottelit sulatuksen loppumisen "suhahduksen" jälkeen?
Voi mennä yllättävän kauan että saa kovilla pakkasilla sisäkennon niin lämpimäksi että ohittaa vedoneston.

Kun sitten ajelit takkatoiminnolla, paljonko puhallusilman lämpötila oli lämmitysjakson lopulla?
 

Energy83

Jäsen
Kauanko odottelit sulatuksen loppumisen "suhahduksen" jälkeen?
Voi mennä yllättävän kauan että saa kovilla pakkasilla sisäkennon niin lämpimäksi että ohittaa vedoneston.

Kun sitten ajelit takkatoiminnolla, paljonko puhallusilman lämpötila oli lämmitysjakson lopulla?
En ole seurannut mutta ei tuo ole sulatellut enään päiviin ollenkaan. Ilman takkatoimintoa sisäyksikköä ei saa puhaltamaan enään. Ainakaan 2vuorokauteen ei ole tehnyt muuta kuin pukkaa kylmää.
 
Viimeksi muokattu:

Energy83

Jäsen
Meillä teki eilen saman. Reilu 4v vanha ja aivan samat oireet.
En oo kahteen päivään saanu heräämään.
Ens viikolle sain huoltoa paikalle.
Joo. Sama täällä. Ulkoyksikkö jauhaa mutta sisälle tulee 19 asteista pelkästään takkatoiminnolla. Normi modella ei herää sisäyksikkö ollenkaan
 

vmakela

Vakionaama
Samaa olen havainnut täällä nyt useampana päivänä. Minulla raja menee jossakin -32...-32,5 ulkolämmöissä. Heti kun kun ollaan -31 lukemissa niin lämmintä saa taas tulemaan. Lienee joku fysiikan laki pumpun+kylmäaineen yhdistelmänä?
 

Energy83

Jäsen
Samaa olen havainnut täällä nyt useampana päivänä. Minulla raja menee jossakin -32...-32,5 ulkolämmöissä. Heti kun kun ollaan -31 lukemissa niin lämmintä saa taas tulemaan. Lienee joku fysiikan laki pumpun+kylmäaineen yhdistelmänä?
Täytyy kattoo nyt miten alkaako puhaltamaan enemmän lämmintä ja sulatukset toimimaan kun lasketaan tonne -20/-25 tienoille. Pakkasta nyt -30 ja ulkoyksikön rupelli jauhaa vaan kellon ympäri pysähtymättä ja sisälle tulee +20 asteista takkakytkimellä. Ei ole sulatellut vuorokausiin.

Nämä on kyllä vehkeitä. Tohon on jo yhden kerran ulkoyksikkö vaihdettu, muutama vuosi sitten.
 
Samaa olen havainnut täällä nyt useampana päivänä. Minulla raja menee jossakin -32...-32,5 ulkolämmöissä. Heti kun kun ollaan -31 lukemissa niin lämmintä saa taas tulemaan. Lienee joku fysiikan laki pumpun+kylmäaineen yhdistelmänä?

Outoa, en ole huomannut moista. Pakkasta ollut yleisesti siinä -33... -37c välillä. Takkatila 1 päällä koko ajan.
Näillä kovimmilla pakkasilla menee jonkin aikaa että saa tulemaan ulos edes 26 asteista ilmaa täydellä puhalluksella.
Sulatusjakson lopulla se asettuu sinne 30 asteen jommalle kummalle puolen, riippuen onko -37c vai -30c.

Onhan teillä anturi mittaamassa ulos tulevaa ilmaa. Kädellähän kaikki tuntuu viileältä tuulelta kovalla nopeudella puhallettuna, vaikka ilman lämpö olisi 28c.

Ei näistä ääripakkasilla esim -35c saa isommin lämpöä ulos, sehän ei ole vika vaan ILPpien ominaisuus.
Mutta jos lämpötila ei nouse edes lämmitysjakson lopulla jonnekin 30c paikkeille "ääripakkasilla", vaan puhaltaa jotakin 21 asteista, niin epäilen kyllä vikaa.

Edit, täällä on nyt -33 pakkasta, pumppu puhaltaa ulos 32 asteista ilmaa täydellä puhalluksella takkatila 1 päällä. PYYNTI 30c.
25-version premium.
 
Viimeksi muokattu:
Täytyy kattoo nyt miten alkaako puhaltamaan enemmän lämmintä ja sulatukset toimimaan kun lasketaan tonne -20/-25 tienoille. Pakkasta nyt -30 ja ulkoyksikön rupelli jauhaa vaan kellon ympäri pysähtymättä ja sisälle tulee +20 asteista takkakytkimellä. Ei ole sulatellut vuorokausiin.

Nämä on kyllä vehkeitä. Tohon on jo yhden kerran ulkoyksikkö vaihdettu, muutama vuosi sitten.

Aivan selävästi jotakin vikaa laitteessa. Ei kannata odotella vaan tilata korjaaja.
Omalla premiumilla olen monet talvet jauhanut yli 30 pakkasilla, enimmillään n. -37c, ja ei ole moista käytöstä ollut.
Lämmitysjakson tulee olla tällä laitteella kovilla pakkasilla 90min mittainen, eli sulatuksia varmasti tulee jos laite toimii.
Ja sitä lämmintä ilmaa myös kuuluu tulla etenkin kun lämmitysjakso on kestänyt jonkin aikaa.

Edit, laittakaa pyynti täysille ja takkatila 1 päälle ja puhallusta reilusti, jos ongelmaa, niin siitä voi lähteä perkaamaan jos ei edelleenkään tule lämpimempää ilmaa.
 
Viimeksi muokattu:

Energy83

Jäsen
-30.

Pyynti 30, takkatila puhallus 4-5, +19 - +20 asteinen ilma sisään. Ei pysähdy sulattamaan ollenkaan

-30

Pyynti 30, hipower, puhallus 3-4, sisäyksikkö ei herää koko päivänä, ei sulatuksia
 
Juuri näin. Vedonesto päällä koko ajan ilman takkakytkintä. Ulkoyksikkö joko bugitilassa/pysyvästi jäässä tai rikki.

Voisikohan tuossa kokeilla toimiiko viilennys, ja huputtaa ulkoyksikön siksi aikaa, että ulkoyksikkö lämpenisi.
Ei ehkä auta mutta kokeillahan aina voi... Tai sitten soittaa suoraan huolto ukot paikalle.
 

Energy83

Jäsen
Voisikohan tuossa kokeilla toimiiko viilennys, ja huputtaa ulkoyksikön siksi aikaa, että ulkoyksikkö lämpenisi.
Ei ehkä auta mutta kokeillahan aina voi... Tai sitten soittaa suoraan huolto ukot paikalle.
Laitoin eilen viilennyksen päälle ja värkkäilin mutta vois kokeilla uusiksi kikkailla vielä. Soitin huoltoon, sanovat että täyttele takuuhuolto tiedot heidän sivuiltaan ja että ruuhkaa on. Vastaavat 7-14vrk kuluessa. Eli pitkä siivu ennenkun saa uutta laitetta tilalle tai korjaavat.

Seuraava pumppu ei ole varmaankaan merkkiä toshiba
 
Laitoin eilen viilennyksen päälle ja värkkäilin mutta vois kokeilla uusiksi kikkailla vielä. Soitin huoltoon, sanovat että täyttele takuuhuolto tiedot heidän sivuiltaan ja että ruuhkaa on. Vastaavat 7-14vrk kuluessa. Eli pitkä siivu ennenkun saa uutta laitetta tilalle tai korjaavat.

Seuraava pumppu ei ole varmaankaan merkkiä toshiba

Tuuripeliä se näissä tuntuu olevan, muillakin valmistajilla. Osalla porskuttaa laite 10-15 vuotta, toisella samanlainen laite porsii jo takuuaikana.
 

J.Harju

Jäsen
-30.

Pyynti 30, takkatila puhallus 4-5, +19 - +20 asteinen ilma sisään. Ei pysähdy sulattamaan ollenkaan

-30

Pyynti 30, hipower, puhallus 3-4, sisäyksikkö ei herää koko päivänä, ei sulatuksia
Ja parastahan tässä on se että ottaa sen 1-1.5kwh tuottamatta astettakaan lämpöä.
 
Back
Ylös Bottom